Main Page Search About

Search Results:
Sample=60025

62 Slides
Preview Sample # Piece Mission/
Station
Comments Size Slide
Number
Originator Binder
Position
ap1602_07_13
100%    50%    25%
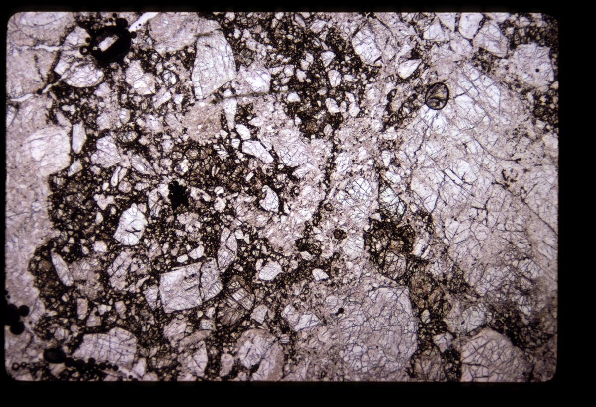
60025 20 Apollo 16 / LM/ALSEP/10/10' Exsolved intergrowths of clinopyroxene? in orthopyroxene 3.4 13 Wilshire
ap1602_07_13
ap1602_07_14
100%    50%    25%
60025 20 Apollo 16 / LM/ALSEP/10/10' Same as 13 closer 0.9 14 Wilshire
ap1602_07_14
ap1602_07_15
100%    50%    25%
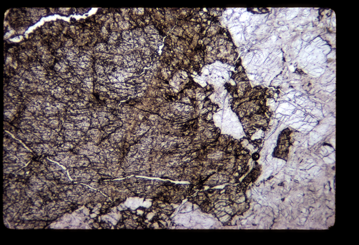
60025 20 Apollo 16 / LM/ALSEP/10/10' Zone of clinopyroxene exsolved pyroxene 5.3 15 Wilshire
ap1602_07_15
ap1602_07_16
100%    50%    25%
60025 20 Apollo 16 / LM/ALSEP/10/10' Large relict plagioclase + crushed olivine? 6.6 16 Wilshire
ap1602_07_16
ap1602_07_17
100%    50%    25%
60025 20 Apollo 16 / LM/ALSEP/10/10' Same as 16 uxn 6.6 17 Wilshire
ap1602_07_17
ap1602_07_18
100%    50%    25%
60025 20 Apollo 16 / LM/ALSEP/10/10' Crushed orthopyroxene+ olivine? comer next to plagioclase- plagioclase finer here than mafics 8.2 18 Wilshire
ap1602_07_18
ap1602_07_19
100%    50%    25%
60025 20 Apollo 16 / LM/ALSEP/10/10' Same as 18 uxn 8.2 19 Wilshire
ap1602_07_19
ap1602_08_01
100%    50%    25%
60025 124 Apollo 16 / LM/ALSEP/10/10' general view highly feldspathic area, small mafics 8.2 20 Wilshire
ap1602_08_01
ap1602_08_02
100%    50%    25%
60025 124 Apollo 16 / LM/ALSEP/10/10' Same as 20 uxn 8.2 21 Wilshire
ap1602_08_02
ap1602_08_03
100%    50%    25%
60025 21 Apollo 16 / LM/ALSEP/10/10' Cataclastic troctolite orthopyroxene with exsolved lamellae more olivine adjacent orthopyroxene, plagioclase all crushed 8.2 22 Wilshire
ap1602_08_03
ap1602_08_04
100%    50%    25%
60025 21 Apollo 16 / LM/ALSEP/10/10' Same as 22 uxn 8.2 23 Wilshire
ap1602_08_04
ap1602_08_05
100%    50%    25%
60025 21 Apollo 16 / LM/ALSEP/10/10' Crush zone; olivine concentration in fmes, partly melted? 8.2 24 Wilshire
ap1602_08_05
ap1602_08_06
100%    50%    25%
60025 21 Apollo 16 / LM/ALSEP/10/10' Same as 25 uxn 8.2 25 Wilshire
ap1602_08_06
ap1602_08_07
100%    50%    25%
60025 21 Apollo 16 / LM/ALSEP/10/10' Large orthopyroxene with exsolved lamellaes, partial fusion of plagioclase to rock 8.2 26 Wilshire
ap1602_08_07
ap1602_08_08
100%    50%    25%
60025 21 Apollo 16 / LM/ALSEP/10/10' Same as 26 uxn 8.2 27 Wilshire
ap1602_08_08
ap1602_08_09
100%    50%    25%
60025 21 Apollo 16 / LM/ALSEP/10/10' Closer of orthopyroxene with exsolved possible exsloved clinopyroxene at top? 5.3 28 Wilshire
ap1602_08_09
ap1602_08_10
100%    50%    25%
60025 21 Apollo 16 / LM/ALSEP/10/10' Same as 28 uxn 5.3 29 Wilshire
ap1602_08_10
ap1602_08_11
100%    50%    25%
60025 21 Apollo 16 / LM/ALSEP/10/10' Closer of breccia zone, partial fusion? of olivine 5.3 30 Wilshire
ap1602_08_11
ap1602_08_12
100%    50%    25%
60025 21 Apollo 16 / LM/ALSEP/10/10' Same as 30 uxn 5.3 31 Wilshire
ap1602_08_12
ap1602_08_13
100%    50%    25%
60025 21 Apollo 16 / LM/ALSEP/10/10' Zone rich in olivine + orthopyroxene with exsolved lamellae 5.3 32 Wilshire
ap1602_08_13
Preview Sample # Piece Mission/
Station
Comments Size Slide
Number
Originator Binder
Position
ap1602_08_14
100%    50%    25%
60025 21 Apollo 16 / LM/ALSEP/10/10' Same as 32 uxn 5 33 Wilshire
ap1602_08_14
ap1602_08_15
100%    50%    25%
60025 21 Apollo 16 / LM/ALSEP/10/10' Graphic + lamellar exsolved in orthopyroxene 3.4 34 Wilshire
ap1602_08_15
ap1602_08_16
100%    50%    25%
60025 21 Apollo 16 / LM/ALSEP/10/10' Same as 34 uxn 3.4 35 Wilshire
ap1602_08_16
ap1602_08_17
100%    50%    25%
60025 21 Apollo 16 / LM/ALSEP/10/10' Breccia zone, mafics concentrated in fmes 3.4 36 Wilshire
ap1602_08_17
ap1602_08_18
100%    50%    25%
60025 21 Apollo 16 / LM/ALSEP/10/10' Same as 36 uxn 3.4 37 Wilshire
ap1602_08_18
ap1602_09_01
100%    50%    25%
60025 21 Apollo 16 / LM/ALSEP/10/10' Graphic clinopyroxene? in orthopyroxene 2.7 1 Wilshire
ap1602_09_01
ap1602_09_02
100%    50%    25%
60025 21 Apollo 16 / LM/ALSEP/10/10' Same as 1 uxn 2.7 2 Wilshire
ap1602_09_02
ap1602_09_03
100%    50%    25%
60025 20 Apollo 16 / LM/ALSEP/10/10' Odd lacework with higher birefringence in orthopyroxene with thin exsolved lamellae crushed zones? 0.9 3 Wilshire
ap1602_09_03
ap1602_09_04
100%    50%    25%
60025 20 Apollo 16 / LM/ALSEP/10/10' Same as 3 uxn 0.9 4 Wilshire
ap1602_09_04
ap1602_09_05
100%    50%    25%
60025 20 Apollo 16 / LM/ALSEP/10/10' Crush zones across orthopyroxene with exsolved lamellae 0.9 5 Wilshire
ap1602_09_05
ap1602_09_06
100%    50%    25%
60025 21 Apollo 16 / LM/ALSEP/10/10' Same as 5 uxn 0.9 6 Wilshire
ap1602_09_06
ap1604_12_13
100%    50%    25%
60025 136 Apollo 16 / LM/ALSEP/10/10' Bent, faulted plagioclase twins 3.4 33 Wilshire
ap1604_12_13
ap1606_04_11
100%    50%    25%
60025 113 Apollo 16 / LM/ALSEP/10/10' general view 6.6 11 Wilshire
ap1606_04_11
ap1606_04_12
100%    50%    25%
60025 113 Apollo 16 / LM/ALSEP/10/10' uxn 6.6 12 Wilshire
ap1606_04_12
ap1606_04_13
100%    50%    25%
60025 113 Apollo 16 / LM/ALSEP/10/10' Another 6.6 13 Wilshire
ap1606_04_13
ap1606_04_14
100%    50%    25%
60025 113 Apollo 16 / LM/ALSEP/10/10' uxn 6.6 14 Wilshire
ap1606_04_14
ap1606_04_15
100%    50%    25%
60025 113 Apollo 16 / LM/ALSEP/10/10' closer 3.3 15 Wilshire
ap1606_04_15
ap1606_04_16
100%    50%    25%
60025 113 Apollo 16 / LM/ALSEP/10/10'   3.3 16 Wilshire
ap1606_04_16
ap1606_04_17
100%    50%    25%
60025 115 Apollo 16 / LM/ALSEP/10/10' cataclastic anorthosite 8.3 17 Wilshire
ap1606_04_17
ap1606_04_18
100%    50%    25%
60025 115 Apollo 16 / LM/ALSEP/10/10' uxn 8.3 18 Wilshire
ap1606_04_18
Preview Sample # Piece Mission/
Station
Comments Size Slide
Number
Originator Binder
Position
ap160M_02_01
100%    50%    25%
60025 21 Apollo 16 / LM/ALSEP/10/10' I 5.5 16 Wilshire
ap160M_02_01
ap160M_02_02
100%    50%    25%
60025 21 Apollo 16 / LM/ALSEP/10/10' X 5.5 17 Wilshire
ap160M_02_02
ap160M_02_03
100%    50%    25%
60025 110 Apollo 16 / LM/ALSEP/10/10' theta 5.5 18 Wilshire
ap160M_02_03
ap160M_02_04
100%    50%    25%
60025 110 Apollo 16 / LM/ALSEP/10/10' X 5.5 19 Wilshire
ap160M_02_04
ap160M_02_05
100%    50%    25%
60025 111 Apollo 16 / LM/ALSEP/10/10' theta 5.5 20 Wilshire
ap160M_02_05
ap160M_02_06
100%    50%    25%
60025 111 Apollo 16 / LM/ALSEP/10/10' X 5.5 21 Wilshire
ap160M_02_06
ap160M_02_07
100%    50%    25%
60025 112 Apollo 16 / LM/ALSEP/10/10' theta 5.5 2 Wilshire
ap160M_02_07
ap160M_02_08
100%    50%    25%
60025 112 Apollo 16 / LM/ALSEP/10/10' X 5.5 3 Wilshire
ap160M_02_08
ap160M_02_10
100%    50%    25%
60025 116 Apollo 16 / LM/ALSEP/10/10' X 3.5 4 Wilshire
ap160M_02_10
ap160M_02_12
100%    50%    25%
60025 117 Apollo 16 / LM/ALSEP/10/10' X 5.5 5 Wilshire
ap160M_02_12
ap160M_02_14
100%    50%    25%
60025 121 Apollo 16 / LM/ALSEP/10/10' X 3.5 6 Wilshire
ap160M_02_14
ap160M_02_15
100%    50%    25%
60025 124 Apollo 16 / LM/ALSEP/10/10' part theta 5.5 18 Wilshire
ap160M_02_15
ap160M_02_16
100%    50%    25%
60025 124 Apollo 16 / LM/ALSEP/10/10' X 5.5 19 Wilshire
ap160M_02_16
ap160M_02_18
100%    50%    25%
60025 125 Apollo 16 / LM/ALSEP/10/10' X 3.5 7 Wilshire
ap160M_02_18
ap160M_02_20
100%    50%    25%
60025 126 Apollo 16 / LM/ALSEP/10/10' X 5.5 8 Wilshire
ap160M_02_20
ap160M_03_02
100%    50%    25%
60025 127 Apollo 16 / LM/ALSEP/10/10' X, green filter 5.5 9 Wilshire
ap160M_03_02
ap160M_03_04
100%    50%    25%
60025 130 Apollo 16 / LM/ALSEP/10/10' X 4.4 10 Wilshire
ap160M_03_04
ap160M_03_05
100%    50%    25%
60025 134 Apollo 16 / LM/ALSEP/10/10' theta 4.4 11 Wilshire
ap160M_03_05
ap160M_03_06
100%    50%    25%
60025 137 Apollo 16 / LM/ALSEP/10/10' I 3.5 13 Wilshire
ap160M_03_06
ap160M_03_07
100%    50%    25%
60025 137 Apollo 16 / LM/ALSEP/10/10' + 3.5 14 Wilshire
ap160M_03_07
Preview Sample # Piece Mission/
Station
Comments Size Slide
Number
Originator Binder
Position
ap160M_03_08
100%    50%    25%
60025 136 Apollo 16 / LM/ALSEP/10/10' X 3.5 12 Wilshire
ap160M_03_08
ap160M_29_05
100%    50%    25%
60025 n/a Apollo 16 / LM/ALSEP/10/10' n/a n/a n/a Wilshire
ap160M_29_05
62 Slides