Main Page Search About

Search Results:
Sample=60255

25 Slides
Preview Sample # Piece Mission/
Station
Comments Size Slide
Number
Originator Binder
Position
ap1602_11_11
100%    50%    25%
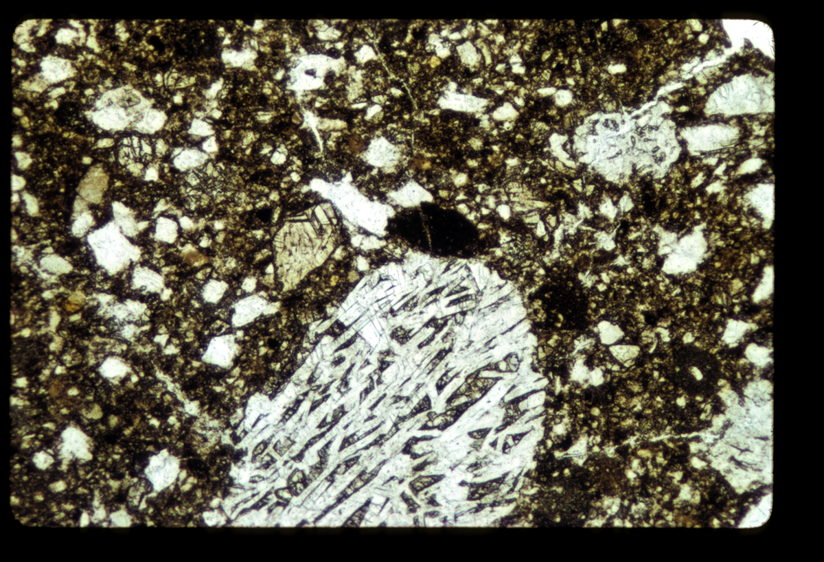
60255 13 Apollo 16 / LM/ALSEP/10/10' Main poikiloblastic homfels clast 2.2 11 Wilshire
ap1602_11_11
ap1602_11_12
100%    50%    25%
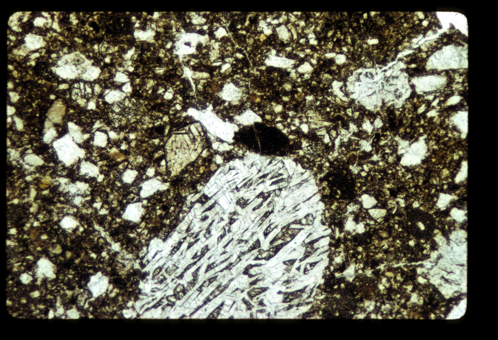
60255 13 Apollo 16 / LM/ALSEP/10/10' Same as 11 uxn 2.2 12 Wilshire
ap1602_11_12
ap1602_11_13
100%    50%    25%
60255 13 Apollo 16 / LM/ALSEP/10/10' Granoblastic homfels. crystallized + spinel reaction 3.4 13 Wilshire
ap1602_11_13
ap1602_11_14
100%    50%    25%
60255 13 Apollo 16 / LM/ALSEP/10/10' Same as 13 uxn 3.4 14 Wilshire
ap1602_11_14
ap1602_11_15
100%    50%    25%
60255 14 Apollo 16 / LM/ALSEP/10/10' Flow banded clinopyroxene basalt clast 0.9 15 Wilshire
ap1602_11_15
ap1602_11_16
100%    50%    25%
60255 14 Apollo 16 / LM/ALSEP/10/10' Same as 15 uxn 0.9 16 Wilshire
ap1602_11_16
ap1602_11_17
100%    50%    25%
60255 14 Apollo 16 / LM/ALSEP/10/10' Same as 15 uxn 0.9 17 Wilshire
ap1602_11_17
ap1602_11_18
100%    50%    25%
60255 14 Apollo 16 / LM/ALSEP/10/10' Same as 17 xun 0.9 18 Wilshire
ap1602_11_18
ap1602_11_19
100%    50%    25%
60255 14 Apollo 16 / LM/ALSEP/10/10' "Vesicle phase" clast 2 D1 clasts, one banded? 3.4 19 Wilshire
ap1602_11_19
ap1602_11_20
100%    50%    25%
60255 14 Apollo 16 / LM/ALSEP/10/10' Same as 19 uxn 3.4 20 Wilshire
ap1602_11_20
ap1602_12_01
100%    50%    25%
60255 14 Apollo 16 / LM/ALSEP/10/10' Poikiloblastic clasts + devitrified glass sphere 0.7 21 Wilshire
ap1602_12_01
ap1602_12_02
100%    50%    25%
60255 14 Apollo 16 / LM/ALSEP/10/10' Same as 21 uxn 0.7 22 Wilshire
ap1602_12_02
ap1606_05_03
100%    50%    25%
60255 75 Apollo 16 / LM/ALSEP/10/10' 68415-type clast & D3's 8.3 23 Wilshire
ap1606_05_03
ap1606_05_04
100%    50%    25%
60255 75 Apollo 16 / LM/ALSEP/10/10' uxn 8.3 24 Wilshire
ap1606_05_04
ap1606_05_05
100%    50%    25%
60255 75 Apollo 16 / LM/ALSEP/10/10' Flow structure 8.3 25 Wilshire
ap1606_05_05
ap1606_05_06
100%    50%    25%
60255 75 Apollo 16 / LM/ALSEP/10/10' uxn 8.3 26 Wilshire
ap1606_05_06
ap1606_05_07
100%    50%    25%
60255 81 Apollo 16 / LM/ALSEP/10/10' 68415-type clast, D2's & devitrified glassy matrix 8.3 27 Wilshire
ap1606_05_07
ap1606_05_08
100%    50%    25%
60255 81 Apollo 16 / LM/ALSEP/10/10' uxn 8.3 28 Wilshire
ap1606_05_08
ap160M_04_03
100%    50%    25%
60255 13 Apollo 16 / LM/ALSEP/10/10' I 0.3 1 Wilshire
ap160M_04_03
ap160M_04_04
100%    50%    25%
60255 13 Apollo 16 / LM/ALSEP/10/10' X 0.3 2 Wilshire
ap160M_04_04
Preview Sample # Piece Mission/
Station
Comments Size Slide
Number
Originator Binder
Position
ap160M_04_05
100%    50%    25%
60255 73 Apollo 16 / LM/ALSEP/10/10' I 5.5 3 Wilshire
ap160M_04_05
ap160M_04_06
100%    50%    25%
60255 73 Apollo 16 / LM/ALSEP/10/10' X 5.5 4 Wilshire
ap160M_04_06
ap160M_04_07
100%    50%    25%
60255 79 Apollo 16 / LM/ALSEP/10/10' X 5.5 5 Wilshire
ap160M_04_07
ap160M_04_08
100%    50%    25%
60255 79 Apollo 16 / LM/ALSEP/10/10' X 5.5 6 Wilshire
ap160M_04_08
ap160M_29_09
100%    50%    25%
60255 n/a Apollo 16 / LM/ALSEP/10/10' n/a n/a n/a Wilshire
ap160M_29_09
25 Slides