Main Page Search About

Search Results:
Sample=65075

31 Slides
Preview Sample # Piece Mission/
Station
Comments Size Slide
Number
Originator Binder
Position
ap1603_04_12
100%    50%    25%
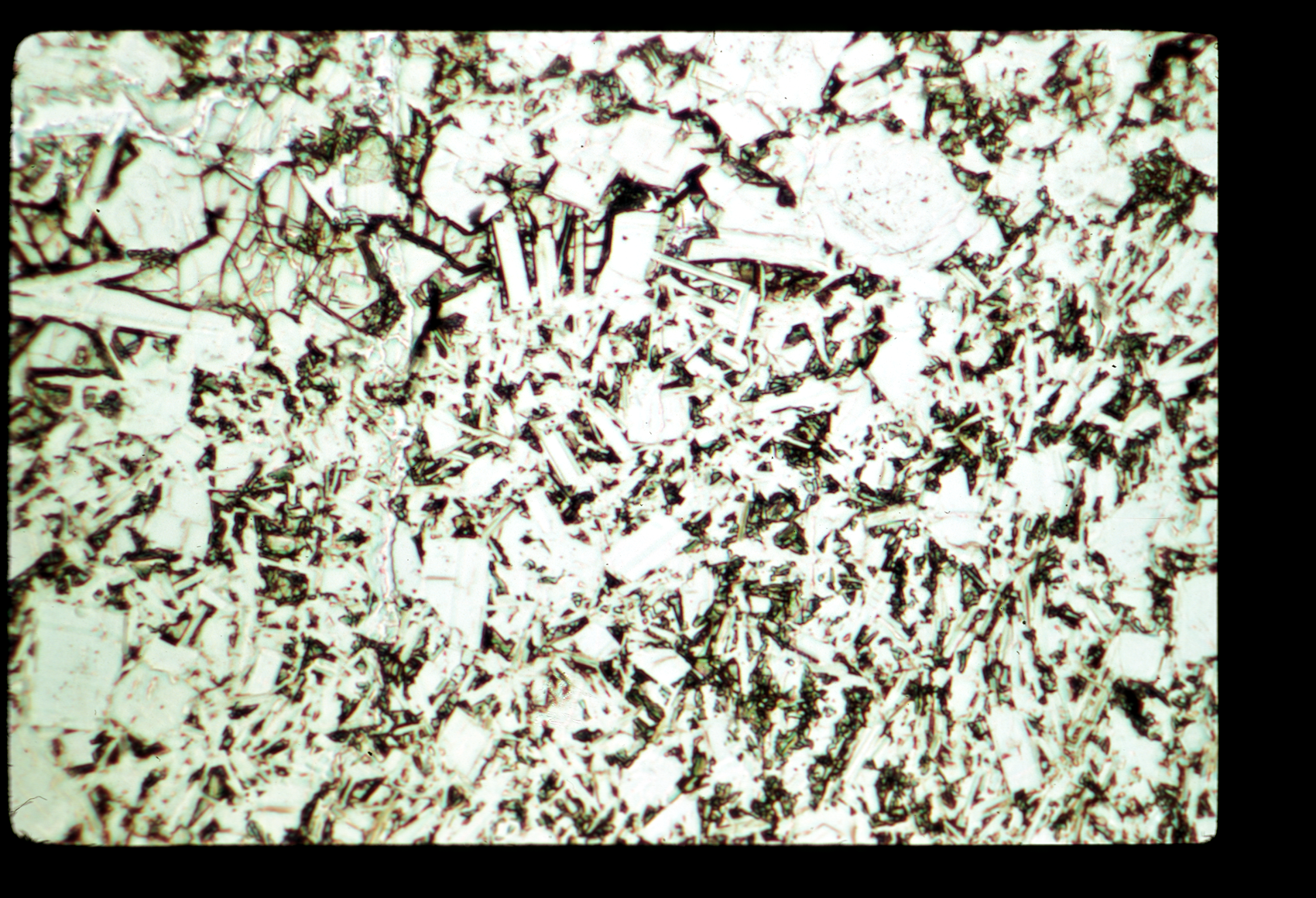
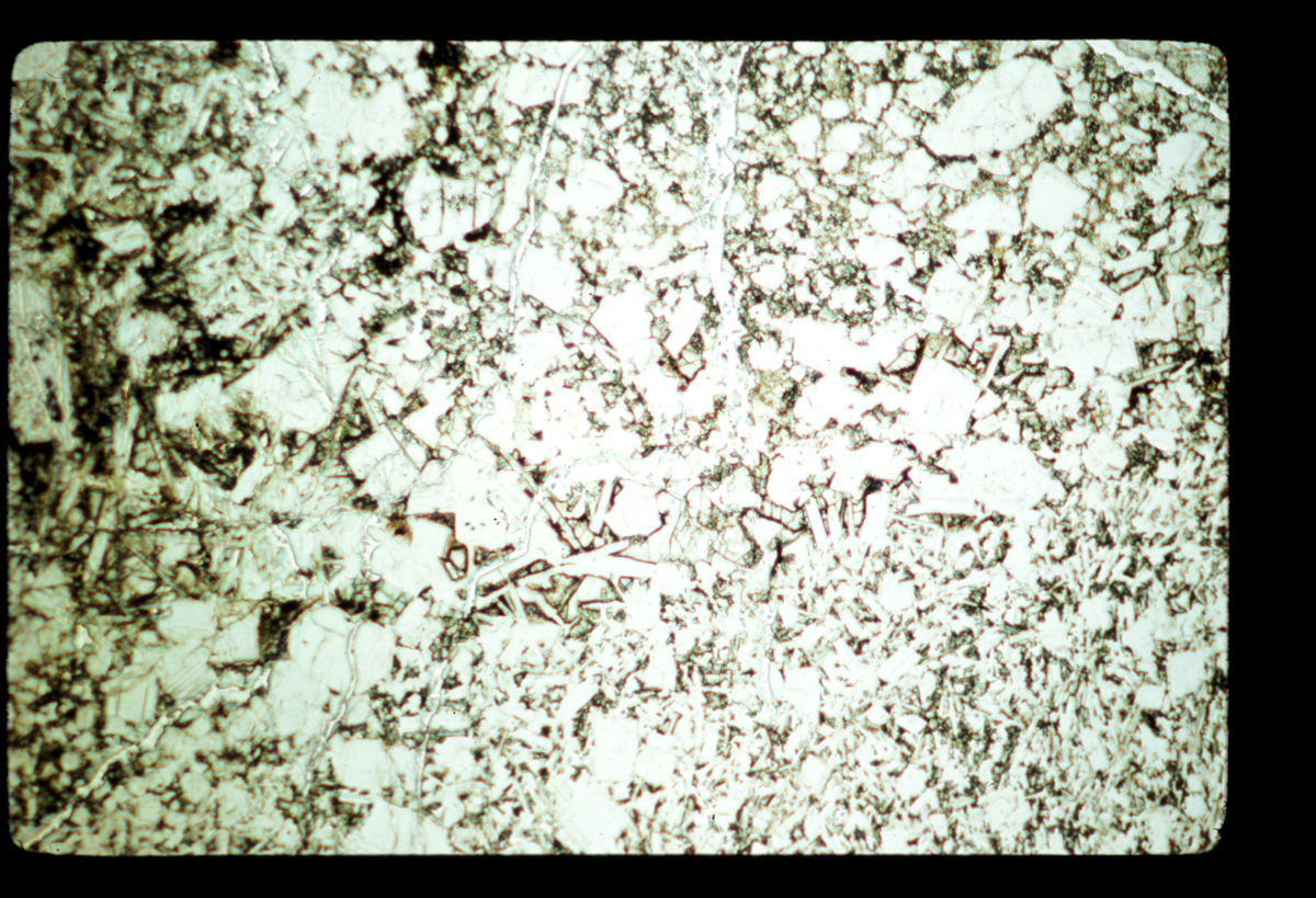
65075 9 Apollo 16 / 5 Grad. from intergranular - intersertal with plagioclase debris to med ophitic texture 3.4 31 Wilshire
ap1603_04_12
ap1603_04_13
100%    50%    25%
65075 9 Apollo 16 / 5 Same as 31 uxn 3.4 32 Wilshire
ap1603_04_13
ap1603_04_14
100%    50%    25%
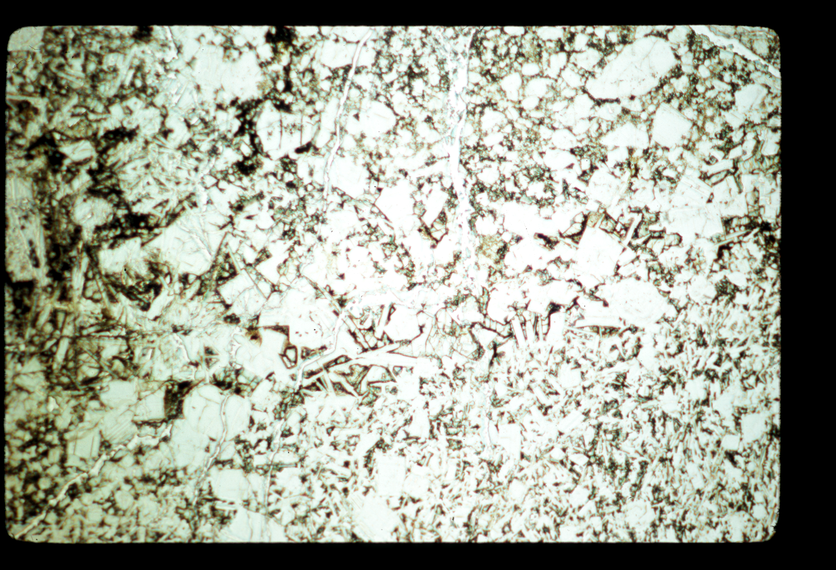
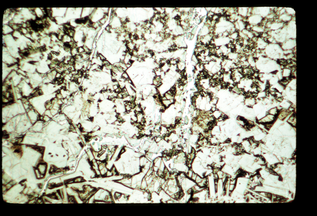
65075 9 Apollo 16 / 5 Patchy texture glass - fine grained flow banded intersertal - fracture zone - coarse ophitic 8.2 33 Wilshire
ap1603_04_14
ap1603_04_15
100%    50%    25%
65075 9 Apollo 16 / 5 Same as 33 uxn 8.2 34 Wilshire
ap1603_04_15
ap1603_04_16
100%    50%    25%
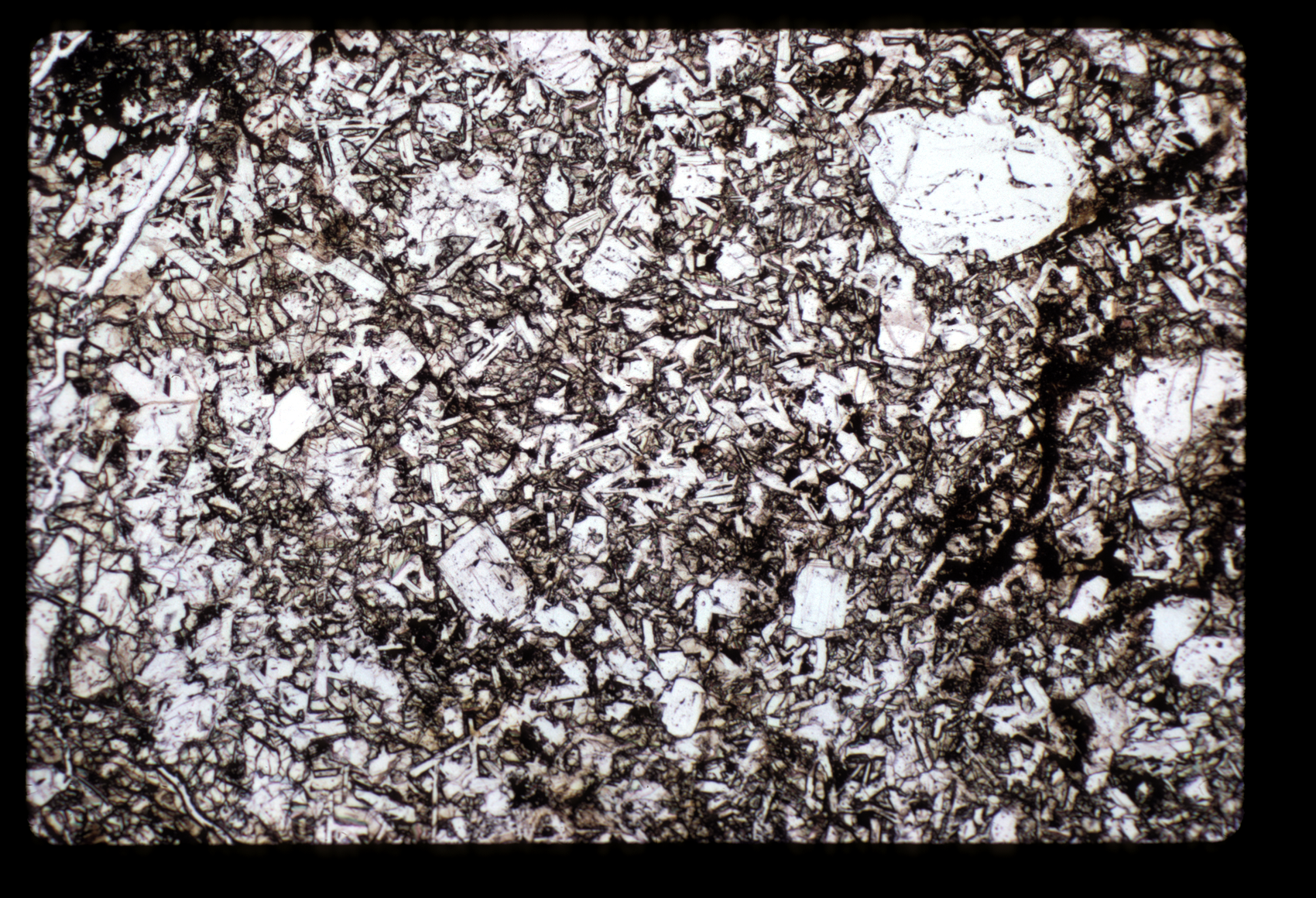
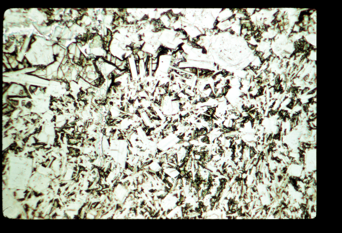
65075 9 Apollo 16 / 5 Melt zone - complex at edge (new plagioclases) then wormy part. shock melt in ophitic zone; glass veins 6.6 35 Wilshire
ap1603_04_16
ap1603_04_17
100%    50%    25%
65075 9 Apollo 16 / 5 Same as 35 uxn 6.6 36 Wilshire
ap1603_04_17
ap1603_04_18
100%    50%    25%
65075 9 Apollo 16 / 5 Devitrified glass + flow banded intersertal zone with coarse plagioclase debris 5.3 37 Wilshire
ap1603_04_18
ap1603_05_01
100%    50%    25%
65075 9 Apollo 16 / 5 Partial melting of ophitic zone. Glass crystallized or devitrified 3.4 1 Wilshire
ap1603_05_01
ap1603_05_02
100%    50%    25%
65075 9 Apollo 16 / 5 Same as 1 uxn 3.4 2 Wilshire
ap1603_05_02
ap1603_15_08
100%    50%    25%
65075 10 Apollo 16 / 5 Crushed rock (metaclastic?) grades? to coarse ophitic grades to finer flow-banded intergranular 10x 8 Wilshire
ap1603_15_08
ap1603_15_09
100%    50%    25%
65075 10 Apollo 16 / 5 Same as 8 uxn 10x 9 Wilshire
ap1603_15_09
ap1603_15_10
100%    50%    25%
65075 10 Apollo 16 / 5 Close of ophitic intergranular 20x 10 Wilshire
ap1603_15_10
ap1603_15_11
100%    50%    25%
65075 10 Apollo 16 / 5 Same as 10 uxn 20x 11 Wilshire
ap1603_15_11
ap1603_15_12
100%    50%    25%
65075 10 Apollo 16 / 5 Close of ophitic - homfels contact 20x 12 Wilshire
ap1603_15_12
ap1603_15_13
100%    50%    25%
65075 10 Apollo 16 / 5 Same as 12 uxn 20x 13 Wilshire
ap1603_15_13
ap1603_15_14
100%    50%    25%
65075 10 Apollo 16 / 5 Irregular plagioclase's in ophitic zone 10x 14 Wilshire
ap1603_15_14
ap1603_15_15
100%    50%    25%
65075 10 Apollo 16 / 5 Same as 14 uxn 10x 15 Wilshire
ap1603_15_15
ap1603_15_16
100%    50%    25%
65075 10 Apollo 16 / 5 Fine grained plagioclase-rich zone in ophitic 10x 16 Wilshire
ap1603_15_16
ap160M_15_09
100%    50%    25%
65075 9 Apollo 16 / 5 I 5.5 7 Wilshire
ap160M_15_09
ap160M_15_10
100%    50%    25%
65075 9 Apollo 16 / 5 X 5.5 8 Wilshire
ap160M_15_10
Preview Sample # Piece Mission/
Station
Comments Size Slide
Number
Originator Binder
Position
ap160M_15_11
100%    50%    25%
65075 9 Apollo 16 / 5 I 5.5 10 Wilshire
ap160M_15_11
ap160M_15_12
100%    50%    25%
65075 9 Apollo 16 / 5 X 5.5 11 Wilshire
ap160M_15_12
ap160M_15_13
100%    50%    25%
65075 11 Apollo 16 / 5 I 5.5 13 Wilshire
ap160M_15_13
ap160M_15_14
100%    50%    25%
65075 11 Apollo 16 / 5 X 5.5 12 Wilshire
ap160M_15_14
MUG1_06_16
100%    50%    25%
65075 2 Apollo 16 / 5 n/a n/a 2-11 Wilshire
MUG1_06_16
MUG1_06_17
100%    50%    25%
65075 2 Apollo 16 / 5 n/a n/a 19-11 Wilshire
MUG1_06_17
MUG1_06_18
100%    50%    25%
65075 n/a Apollo 16 / 5 n/a n/a 21-11 Wilshire
MUG1_06_18
MUG2_15_01
100%    50%    25%
65075 n/a Apollo 16 / 5 "yellow stain" on image n/a 21-6 Wilshire
MUG2_15_01
MUG2_15_02
100%    50%    25%
65075 n/a Apollo 16 / 5 "yellow stain" on image n/a 22-6 Wilshire
MUG2_15_02
MUG2_15_03
100%    50%    25%
65075 2 Apollo 16 / 5 "yellow stain" on image n/a 23-6 Wilshire
MUG2_15_03
MUG2_15_04
100%    50%    25%
65075 2 Apollo 16 / 5 "yellow stain" on image n/a 24-6 Wilshire
MUG2_15_04
31 Slides