![]() PNG - 100% PNG - 50% PNG - 25% |
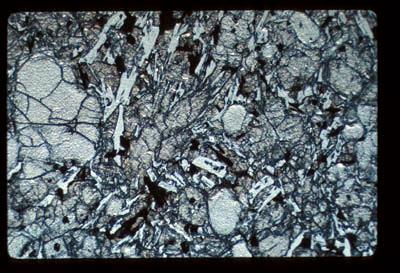
Position: | ap1201_04_20 |
| Mission: | Apollo 12 | |
| Station: | 25m south of Halo | |
| Comments: | Olivine diabase subvariolitic | |
| Piece: | 6 | |
| Size: | n/a | |
| Roll #: | 1 | |
| Slide #: | 21 | |
| Other: | Core tube | |
| Date: | 02/01/1971 | |
| Originator: | Wilshire | |
| Original Raw Scan (50MB) | ||