![]() PNG - 100% PNG - 50% PNG - 25% |
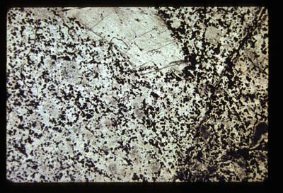
Position: | ap1502_01_09 |
| Mission: | Apollo 15 | |
| Station: | 7 | |
| Comments: | Plagioclase phenocryst? mafics in it - possible relict, others recrystallized | |
| Piece: | 155 | |
| Size: | 8.2 | |
| Roll #: | 19 | |
| Slide #: | 5 | |
| Other: | ||
| Date: | 04/01/1972 | |
| Originator: | Wilshire | |
| Original Raw Scan (50MB) | ||