![]() PNG - 100% PNG - 50% PNG - 25% |
Position: | ap1502_01_17 |
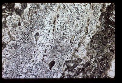
| Mission: | Apollo 15 | |
| Station: | 7 | |
| Comments: | "Relict" plagioclase with shocked clinopyroxene? inclusions. Note spherulitic crosses inclusion without reflection | |
| Piece: | 21 | |
| Size: | 0.9 | |
| Roll #: | 16 | |
| Slide #: | 19 | |
| Other: | ||
| Date: | 12/01/1971 | |
| Originator: | Wilshire | |
| Original Raw Scan (50MB) | ||