![]() PNG - 100% PNG - 50% PNG - 25% |
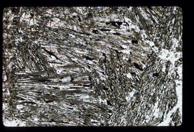
Position: | ap1503_05_20 |
| Mission: | Apollo 15 | |
| Station: | 9 | |
| Comments: | Plagioclase-clinopyroxene-opaque variolite clast | |
| Piece: | 9 | |
| Size: | 0.9 | |
| Roll #: | 12 | |
| Slide #: | 24 | |
| Other: | ||
| Date: | 11/01/1971 | |
| Originator: | Wilshire | |
| Original Raw Scan (50MB) | ||