![]() PNG - 100% PNG - 50% PNG - 25% |
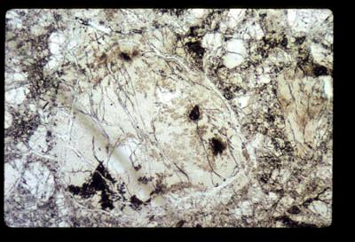
Position: | ap1601_10_02 |
| Mission: | Apollo 16 | |
| Station: | LM/ALSEP/10/10' | |
| Comments: | Finely recrystallized? pyroxene? or devitrified glass? with plagioclase inclusions | |
| Piece: | 2 | |
| Size: | 2.2 | |
| Roll #: | 4 | |
| Slide #: | 20 | |
| Other: | ||
| Date: | 06/01/1972 | |
| Originator: | Wilshire | |
| Original Raw Scan (50MB) | ||