![]() PNG - 100% PNG - 50% PNG - 25% |
Position: | ap1601_15_14 |
| Mission: | Apollo 16 | |
| Station: | LM/ALSEP/10/10' | |
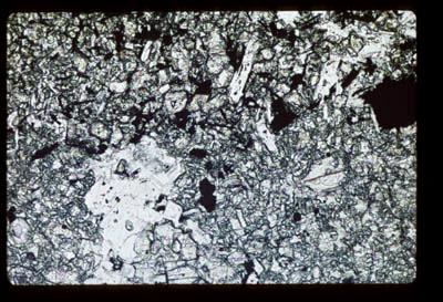
| Comments: | Granoblastic-polygonal plagioclase clast in orthopyroxene poikiloblast + granoblast - intergranular interstitial material | |
| Piece: | 2 | |
| Size: | 0.9 | |
| Roll #: | 7 | |
| Slide #: | 14 | |
| Other: | ||
| Date: | 06/01/1972 | |
| Originator: | Wilshire | |
| Original Raw Scan (50MB) | ||