![]() PNG - 100% PNG - 50% PNG - 25% |
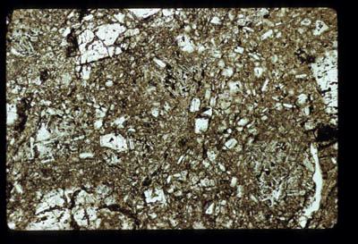
Position: | ap1603_07_05 |
| Mission: | Apollo 16 | |
| Station: | 11 | |
| Comments: | Patches with intersertal texture in brownish matrix ( devitrified? glass?) very fine granoblast | |
| Piece: | 13 | |
| Size: | 0.9 | |
| Roll #: | 19 | |
| Slide #: | 5 | |
| Other: | ||
| Date: | 11/01/1972 | |
| Originator: | Wilshire | |
| Original Raw Scan (50MB) | ||