![]() PNG - 100% PNG - 50% PNG - 25% |
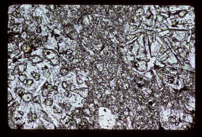
Position: | ap1604_12_14 |
| Mission: | Apollo 16 | |
| Station: | LM/ALSEP/10/10' | |
| Comments: | "Oulli" with intergranular + ophitic textures | |
| Piece: | 15 | |
| Size: | 0.9 | |
| Roll #: | 31 | |
| Slide #: | 34 | |
| Other: | ||
| Date: | 05/01/1973 | |
| Originator: | Wilshire | |
| Original Raw Scan (50MB) | ||