![]() PNG - 100% PNG - 50% PNG - 25% |
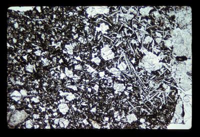
Position: | ap1605_05_01 |
| Mission: | Apollo 16 | |
| Station: | LM/ALSEP/10/10' | |
| Comments: | anorthosite -> shock melt -> finer shock melt | |
| Piece: | 53 | |
| Size: | 6.6 | |
| Roll #: | 36 | |
| Slide #: | 1 | |
| Other: | ||
| Date: | 04/01/1974 | |
| Originator: | Wilshire | |
| Original Raw Scan (50MB) | ||