![]() PNG - 100% PNG - 50% PNG - 25% |
Position: | ap1701_04_09 |
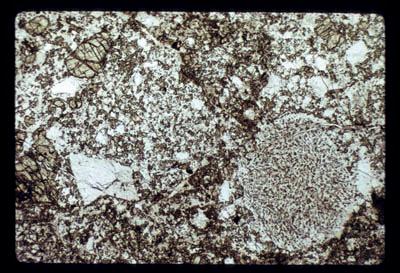
| Mission: | Apollo 17 | |
| Station: | 8 | |
| Comments: | Fragments of metaclastic rock, one with round "intergranular" patch | |
| Piece: | 8 | |
| Size: | 3.4 | |
| Roll #: | 2 | |
| Slide #: | 33 | |
| Other: | ||
| Date: | 01/01/1973 | |
| Originator: | Wilshire | |
| Original Raw Scan (50MB) | ||