Digital Petrographic Slide Collection
Main Page
Search
About
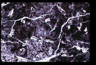
Sample 72135
PNG - 100%
PNG - 50%
PNG - 25%
Position:
ap1705_01_19
Mission:
Apollo 17
Station:
2
Comments:
Skeletal olivine in devitrified matrix
Piece:
11
Size:
3.16mm
Roll #:
Slide #:
Other:
Date:
Originator:
Phinney
Original Raw Scan (50MB)