Main Page Search About

Apollo 16
Station: 11

432 Slides
Preview Sample # Piece Mission/
Station
Comments Size Slide
Number
Originator Binder
Position
ap1601_01_06
100%    50%    25%
67015   Apollo 16 / 11     22 Wilshire
ap1601_01_06
ap1601_02_03
100%    50%    25%
67015 5 Apollo 16 / 11     20 Wilshire
ap1601_02_03
ap1601_05_05
100%    50%    25%
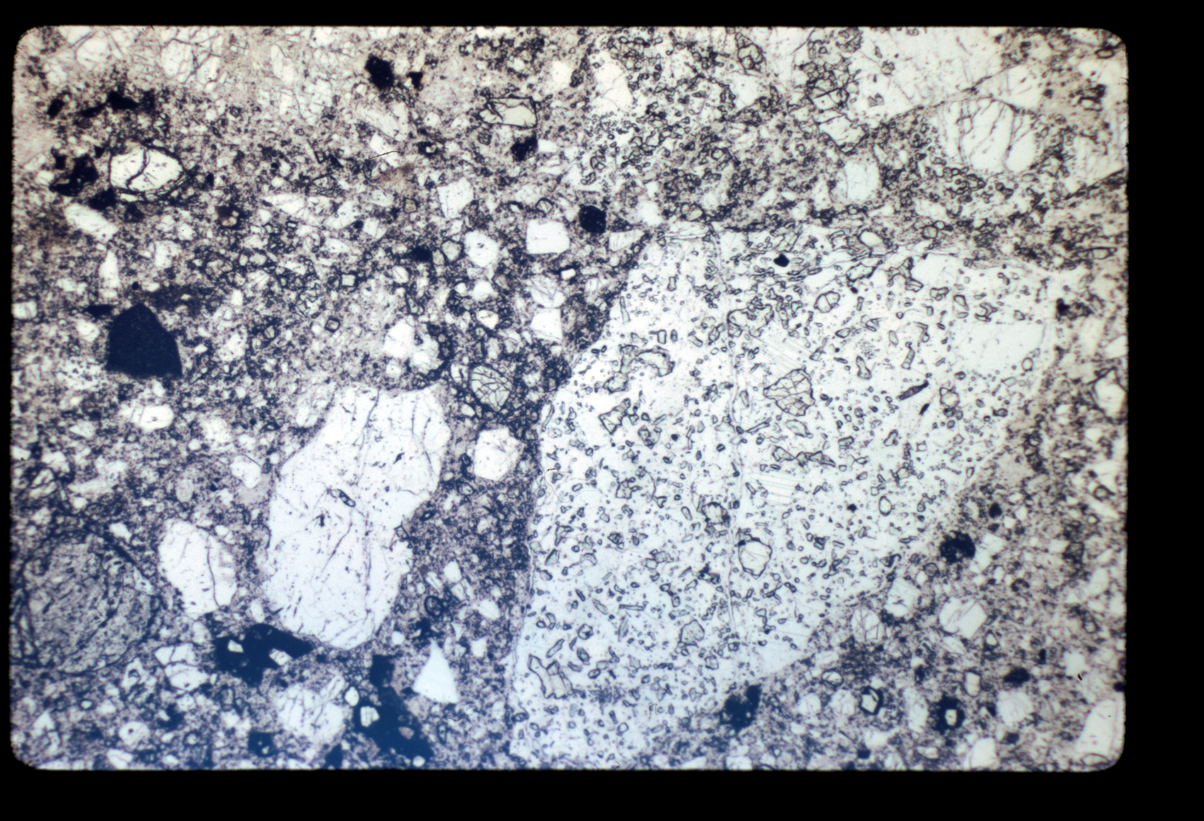
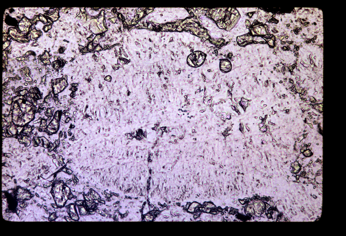
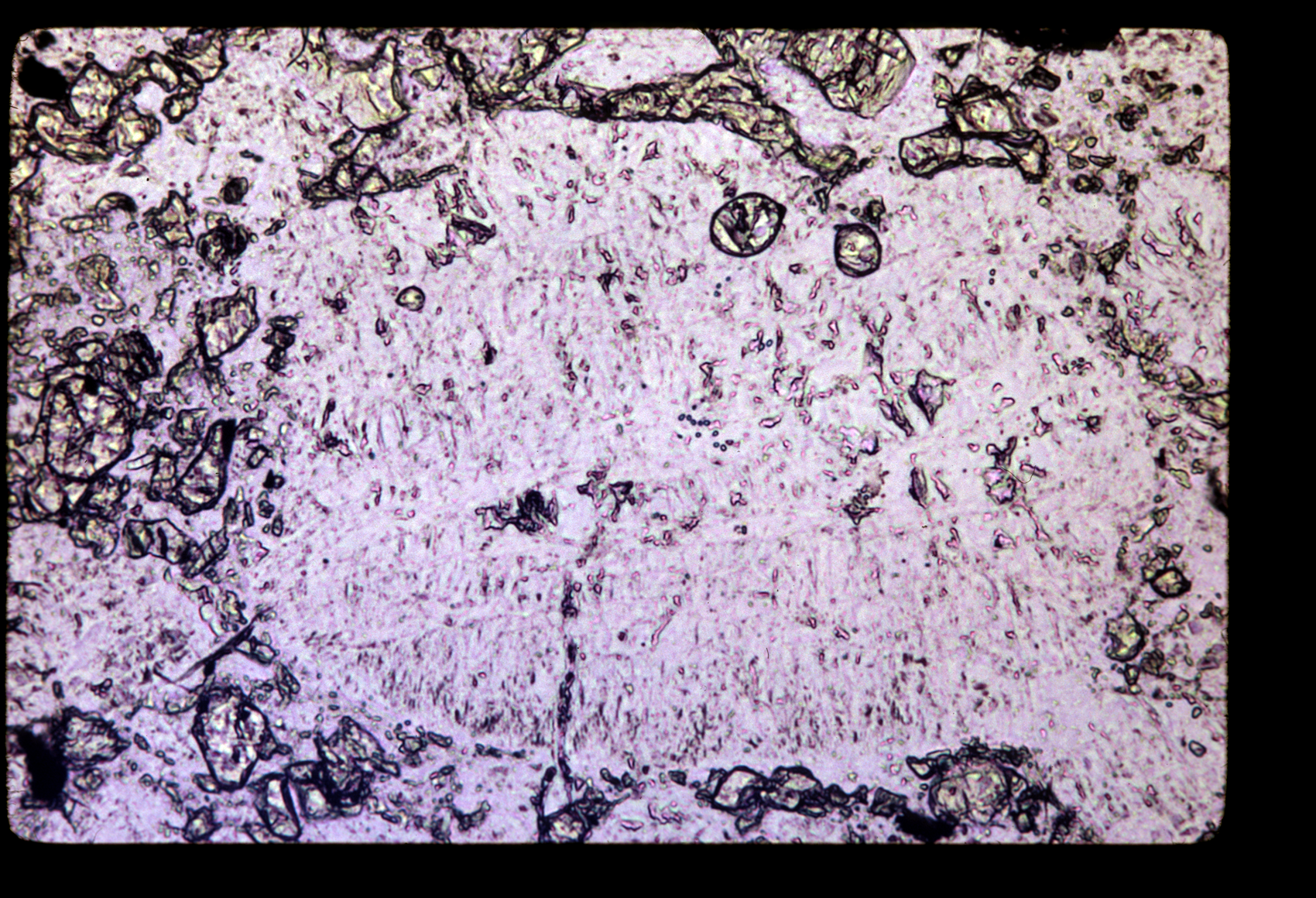
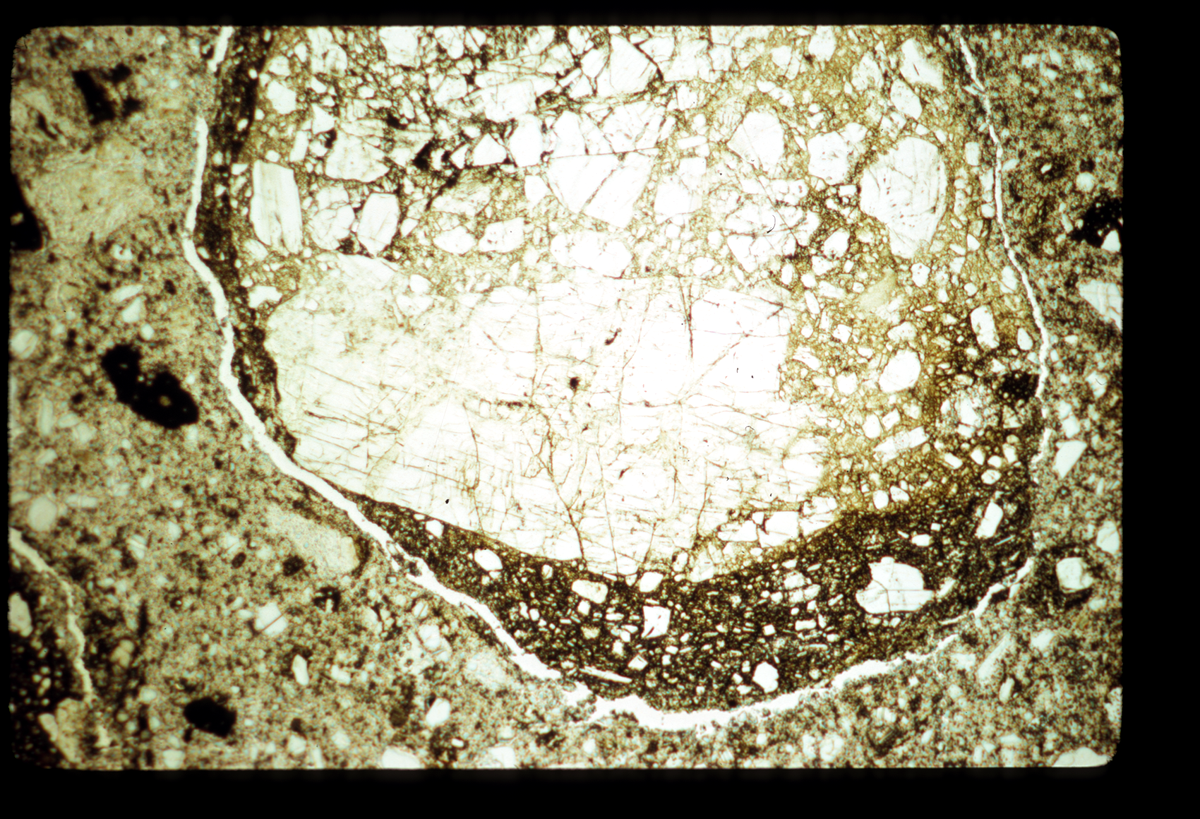
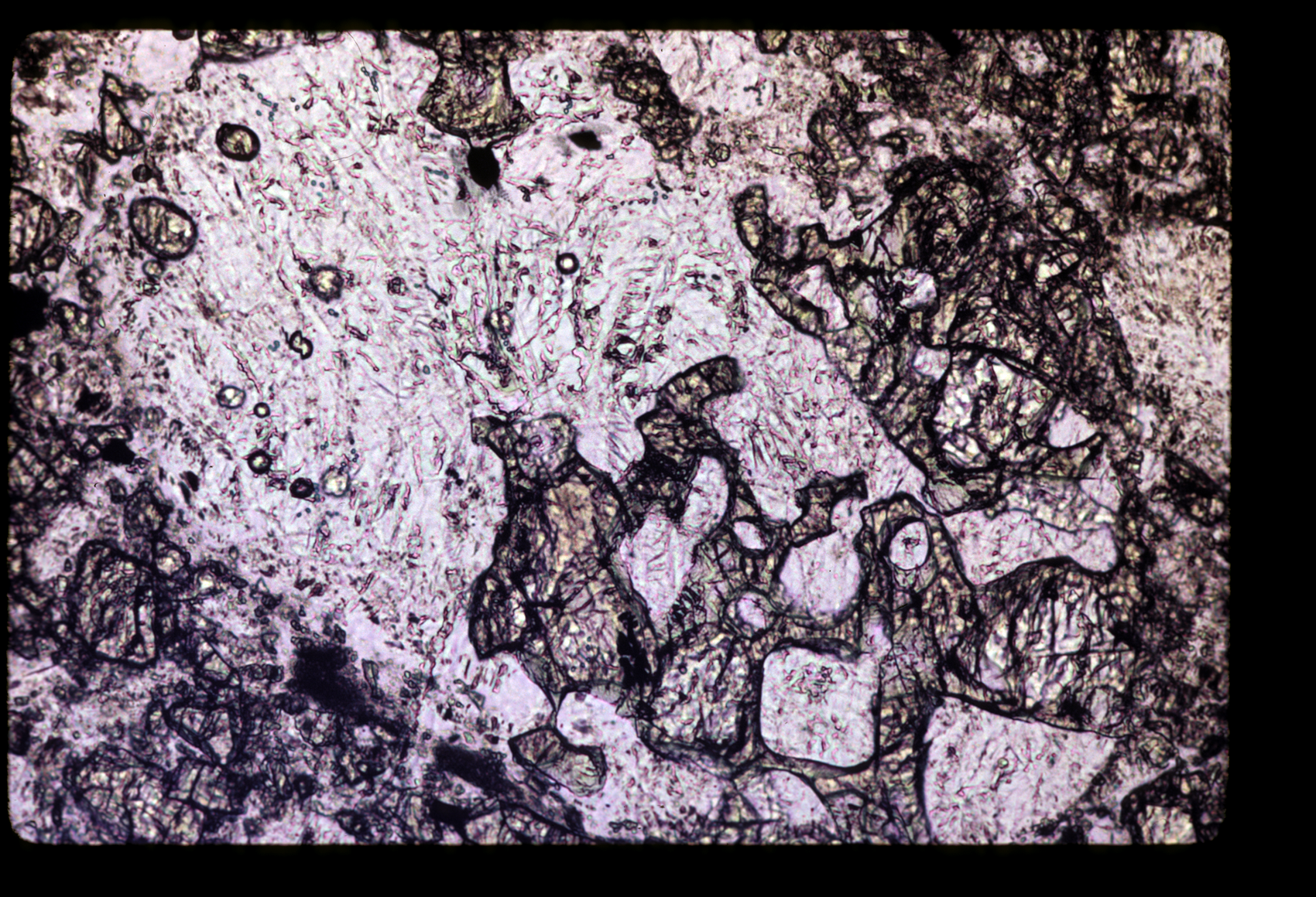
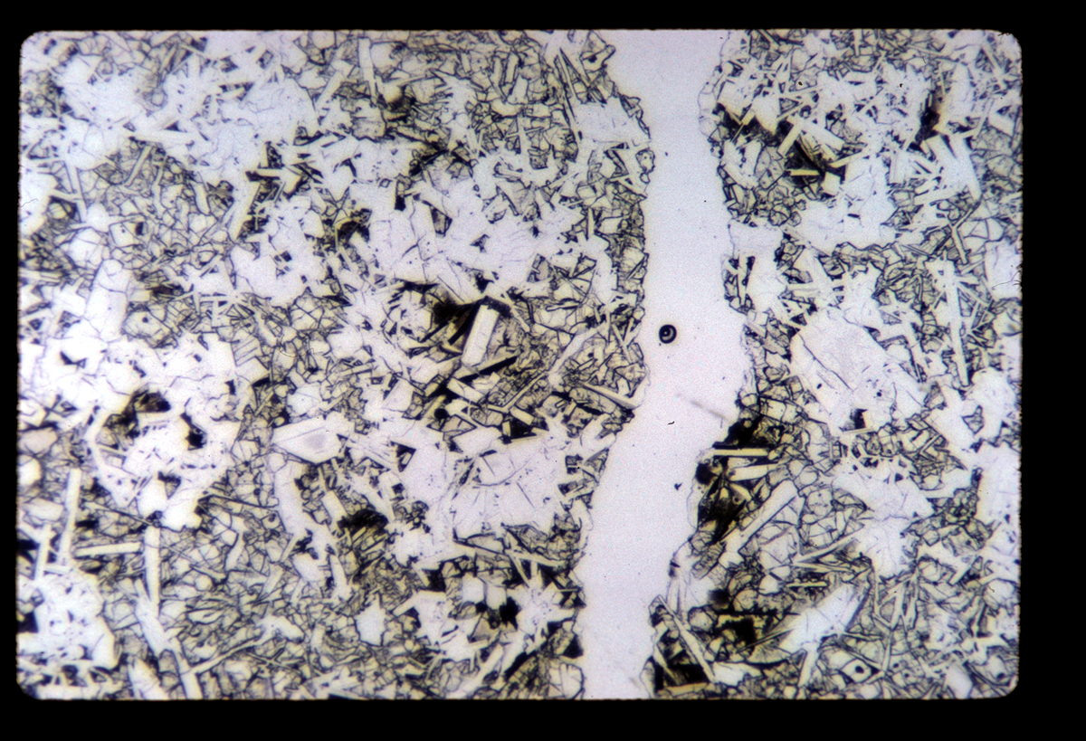
67015 9(5) Apollo 16 / 11 Matrix of white matrix breccia small homfels clast - pyroxene + some olivine? 0.9 5 Wilshire
ap1601_05_05
ap1601_05_06
100%    50%    25%
67015 9(5) Apollo 16 / 11 Same as 5 uxn 0.9 6 Wilshire
ap1601_05_06
ap1601_05_08
100%    50%    25%
67015 9(5) Apollo 16 / 11 Same as 7 uxn 2.7 8 Wilshire
ap1601_05_08
ap1601_05_09
100%    50%    25%
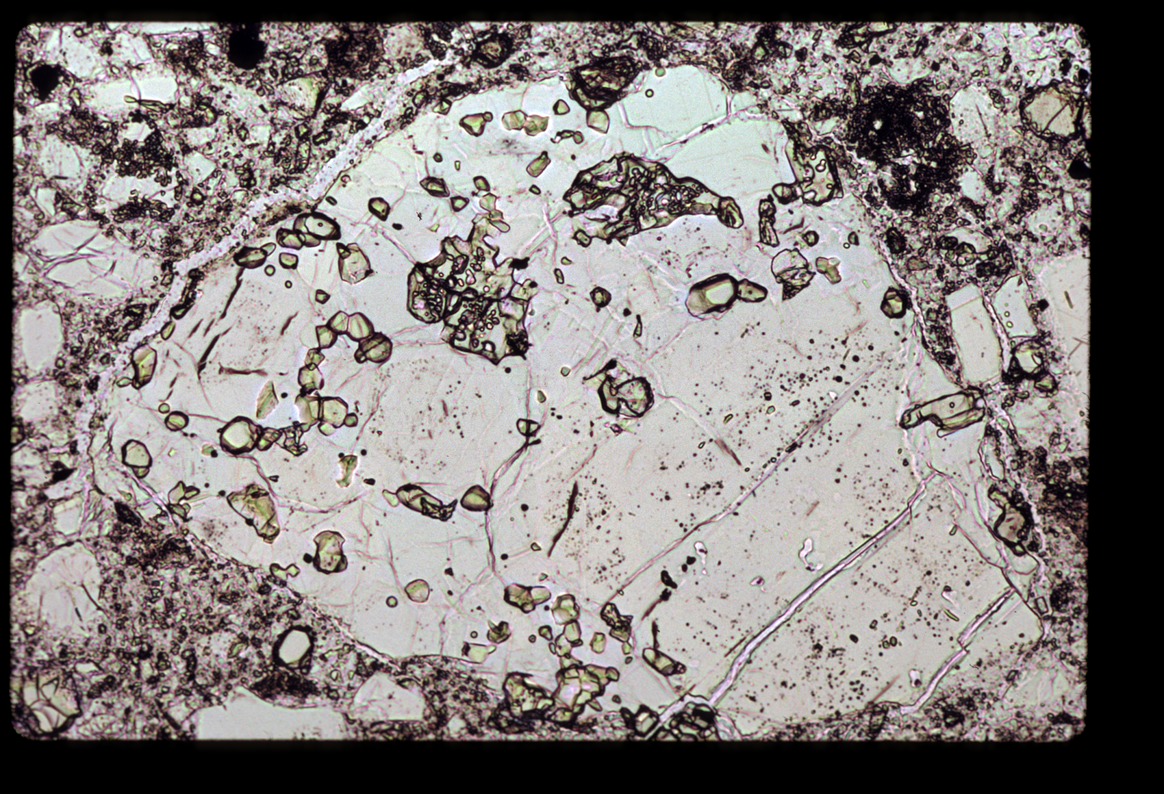
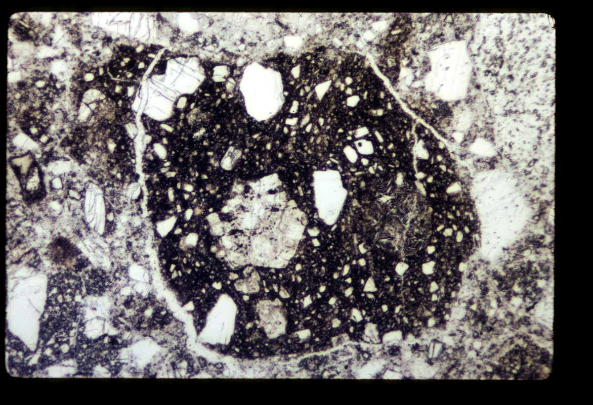
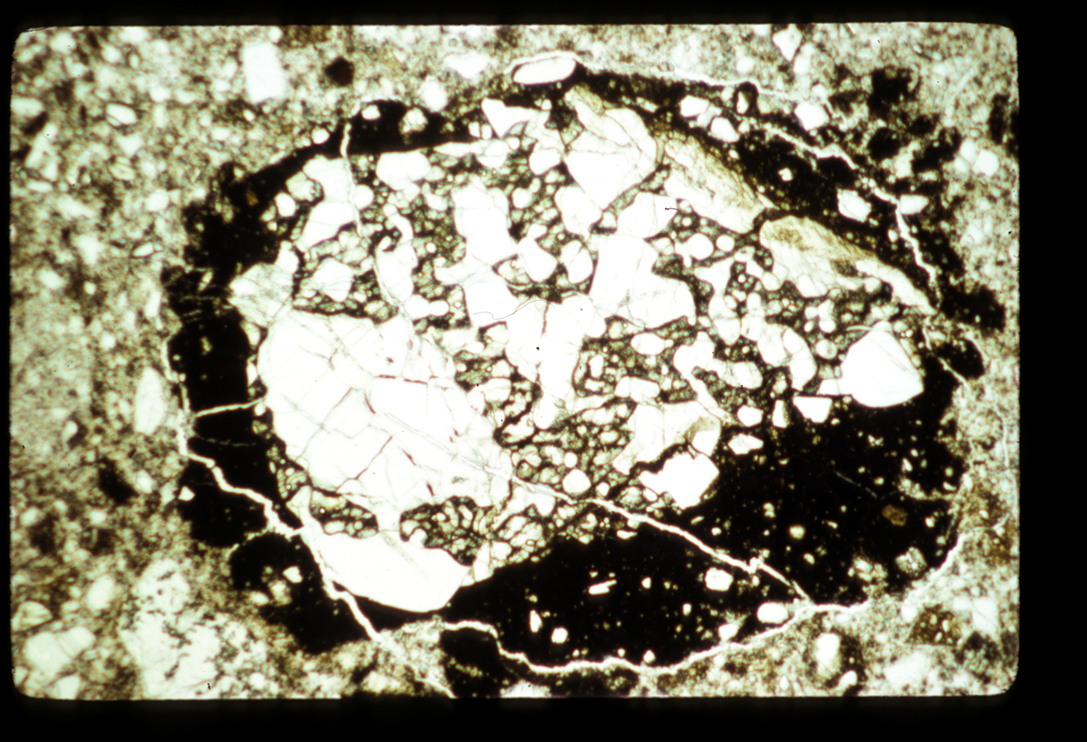
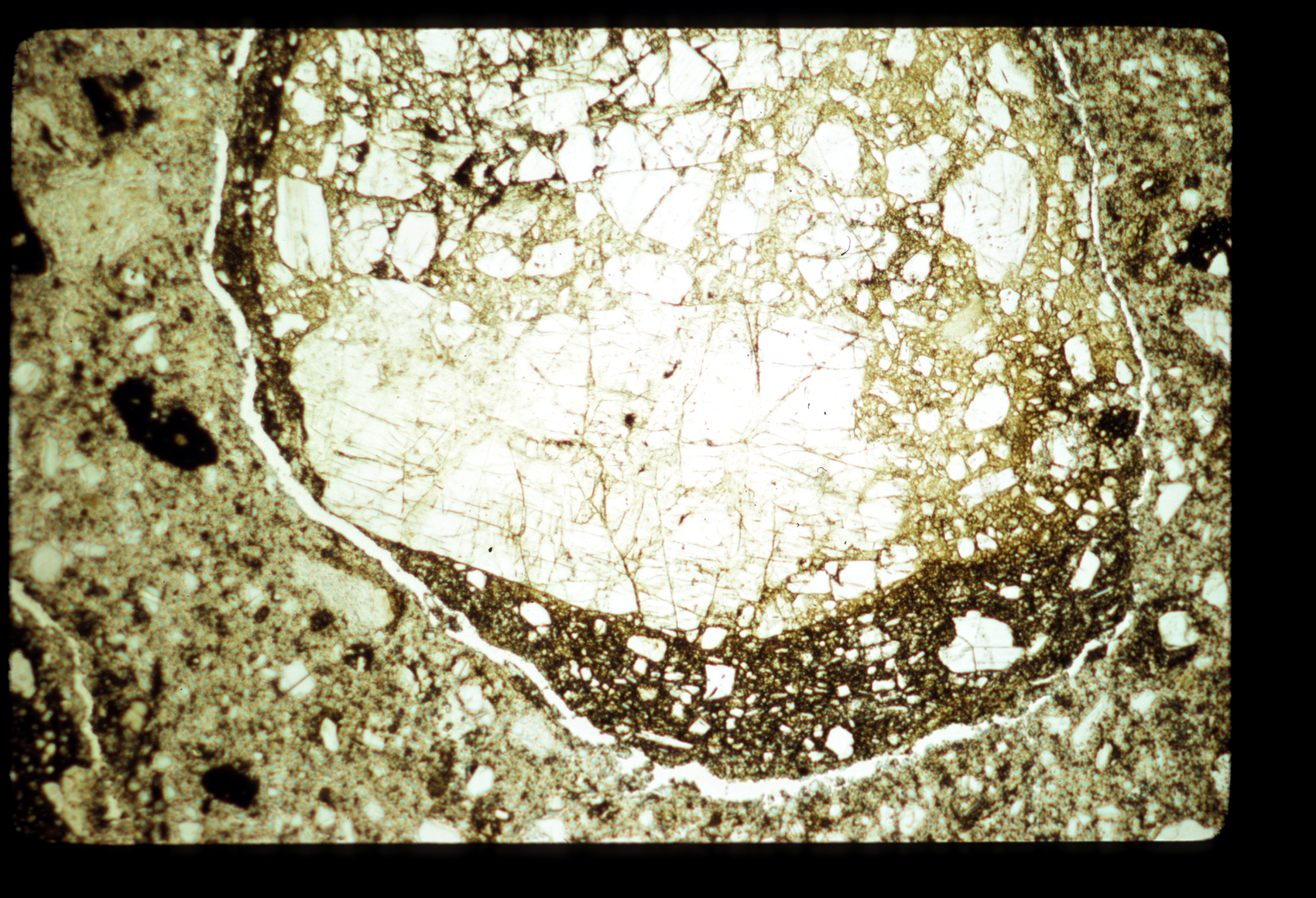
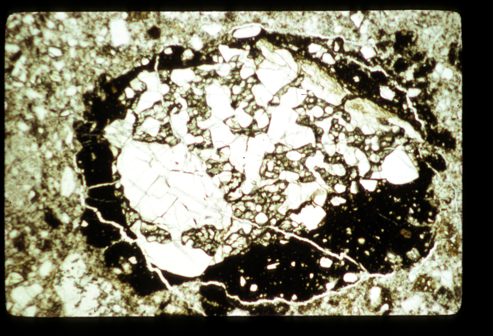
67015 9(5) Apollo 16 / 11 General view. Dark clast is glassy. Mylonite envelope on round white clast 3.4 9 Wilshire
ap1601_05_09
ap1601_05_10
100%    50%    25%
67015 9(5) Apollo 16 / 11 Same as 9 uxn 3.4 10 Wilshire
ap1601_05_10
ap1601_05_12
100%    50%    25%
67015 9(5) Apollo 16 / 11 Same as 11 uxn 3.4 12 Wilshire
ap1601_05_12
ap1601_05_13
100%    50%    25%
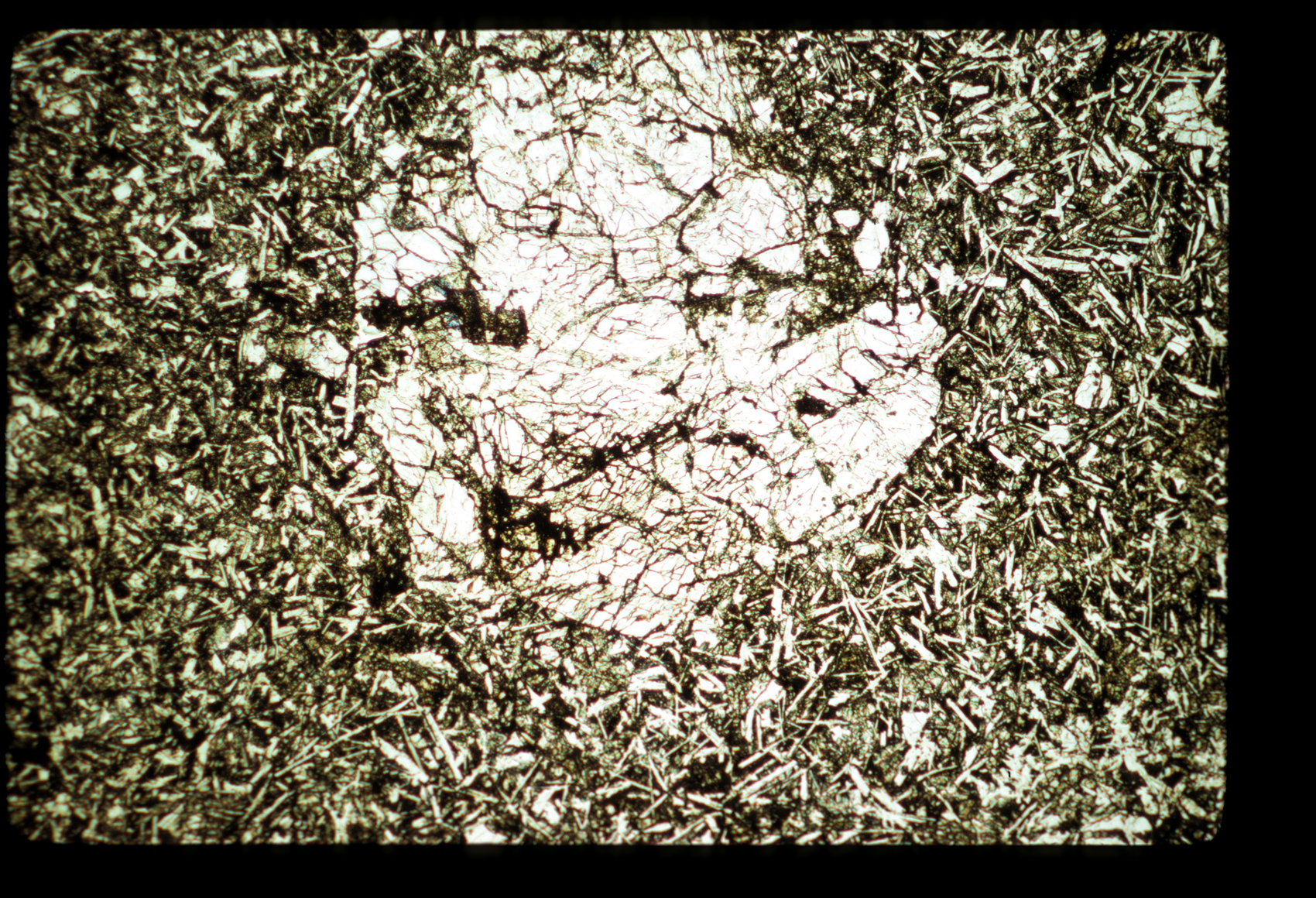
67015 9(5) Apollo 16 / 11 Metaclastic clast in fine meta matrix rich in mafics - in white matrix 0.7 13 Wilshire
ap1601_05_13
ap1601_05_14
100%    50%    25%
67015 9(5) Apollo 16 / 11 Same as 13 uxn 0.7 14 Wilshire
ap1601_05_14
ap1601_05_15
100%    50%    25%
67015 9(5) Apollo 16 / 11 Relict plagioclase in metaclastic with lath-shaped plagioclase 0.6 15 Wilshire
ap1601_05_15
ap1601_05_16
100%    50%    25%
67015 9(5) Apollo 16 / 11 Same as 15 uxn 0.6 16 Wilshire
ap1601_05_16
ap1601_05_17
100%    50%    25%
67015 9(5) Apollo 16 / 11 Annealed dark clast with light metaclastics, 1 "basaltic" + other metaclastic 2.2 17 Wilshire
ap1601_05_17
ap1601_05_18
100%    50%    25%
67015 9(5) Apollo 16 / 11 Same as 17 uxn 2.2 18 Wilshire
ap1601_05_18
ap1601_06_01
100%    50%    25%
67015 9(5) Apollo 16 / 11 Fine grained metaclastic 0.9 19 Wilshire
ap1601_06_01
ap1601_06_02
100%    50%    25%
67015 9(5) Apollo 16 / 11 Same as 19 uxn 0.9 20 Wilshire
ap1601_06_02
ap1601_06_03
100%    50%    25%
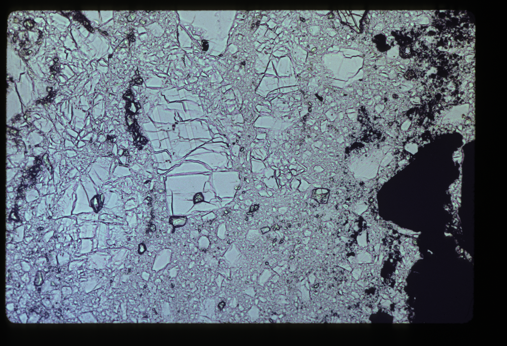
67015 9(5) Apollo 16 / 11 Relict plagioclase, opaques; pyroxene crushed + strung out. View lunar clast. annealed?? 0.9 21 Wilshire
ap1601_06_03
ap1601_06_04
100%    50%    25%
67015 9(5) Apollo 16 / 11 Same as 21 uxn 0.9 22 Wilshire
ap1601_06_04
ap1601_06_05
100%    50%    25%
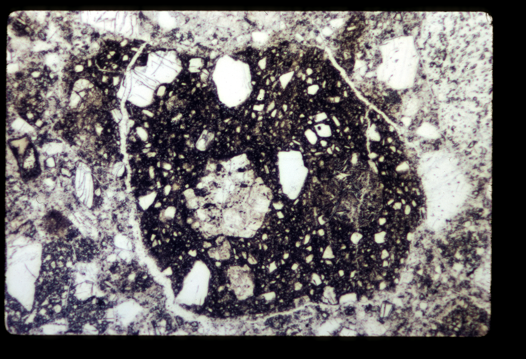
67015 8(4) Apollo 16 / 11 Section in a dark clast. In this is slightly lighter metaclast enclosing metaclastic rock, enclosing recrystallized. plagioclase 2.2 23 Wilshire
ap1601_06_05
ap1601_06_06
100%    50%    25%
67015 8(4) Apollo 16 / 11 Same as 23 uxn 2.2 24 Wilshire
ap1601_06_06
Preview Sample # Piece Mission/
Station
Comments Size Slide
Number
Originator Binder
Position
ap1601_06_07
100%    50%    25%
67015 8(4) Apollo 16 / 11 general view - different types of light lithic clasts in dark clast 2.2 25 Wilshire
ap1601_06_07
ap1601_06_08
100%    50%    25%
67015 8(4) Apollo 16 / 11 Same as 25 uxn 2.2 26 Wilshire
ap1601_06_08
ap1601_06_09
100%    50%    25%
67015 9(5) Apollo 16 / 11 Composite metaclastic with lithic fragment of orthopyroxene enclosing plagioclase, clinopyroxene? Plagioclase laths in recrystallized matrix 0.9 27 Wilshire
ap1601_06_09
ap1601_06_10
100%    50%    25%
67015 9(5) Apollo 16 / 11 Same as 27 uxn 0.9 28 Wilshire
ap1601_06_10
ap1601_06_11
100%    50%    25%
67015 8(4) Apollo 16 / 11 Thin light clastic vein in dark clast. Light material is annealed 0.9 29 Wilshire
ap1601_06_11
ap1601_06_12
100%    50%    25%
67015 8(4) Apollo 16 / 11 15418 type clast, D/b clast in dark clast 0.9 30 Wilshire
ap1601_06_12
ap1601_06_13
100%    50%    25%
67015 8(4) Apollo 16 / 11 Same as 30 uxn 0.9 31 Wilshire
ap1601_06_13
ap1601_06_14
100%    50%    25%
67015 10(6) Apollo 16 / 11 general view - darker mafics shattered, new matrix lighter, both annealed. Section 1 clast 3.4 32 Wilshire
ap1601_06_14
ap1601_06_15
100%    50%    25%
67015 10(6) Apollo 16 / 11 Same as 32 uxn 3.4 33 Wilshire
ap1601_06_15
ap1601_06_16
100%    50%    25%
67015 10(6) Apollo 16 / 11 Matrix with small brown clast; note small high relief aggregates 0.9 34 Wilshire
ap1601_06_16
ap1601_06_17
100%    50%    25%
67015 10(6) Apollo 16 / 11 Same as 34 uxn 0.9 35 Wilshire
ap1601_06_17
ap1601_06_18
100%    50%    25%
67015 10(6) Apollo 16 / 11 Metaclastic - note fine pyroxene? rim on olivine 0.9 36 Wilshire
ap1601_06_18
ap1601_06_19
100%    50%    25%
67015 10(6) Apollo 16 / 11 Same as 36 uxn 0.9 37 Wilshire
ap1601_06_19
ap1603_05_09
100%    50%    25%
67015 25 Apollo 16 / 11 D1 clast enclosing unrecrystallized white cataclastic enclosing D23 Note offshoot of white 3.4 9 Wilshire
ap1603_05_09
ap1603_05_10
100%    50%    25%
67015 25 Apollo 16 / 11 Same as 9 uxn 3.4 10 Wilshire
ap1603_05_10
ap1603_05_11
100%    50%    25%
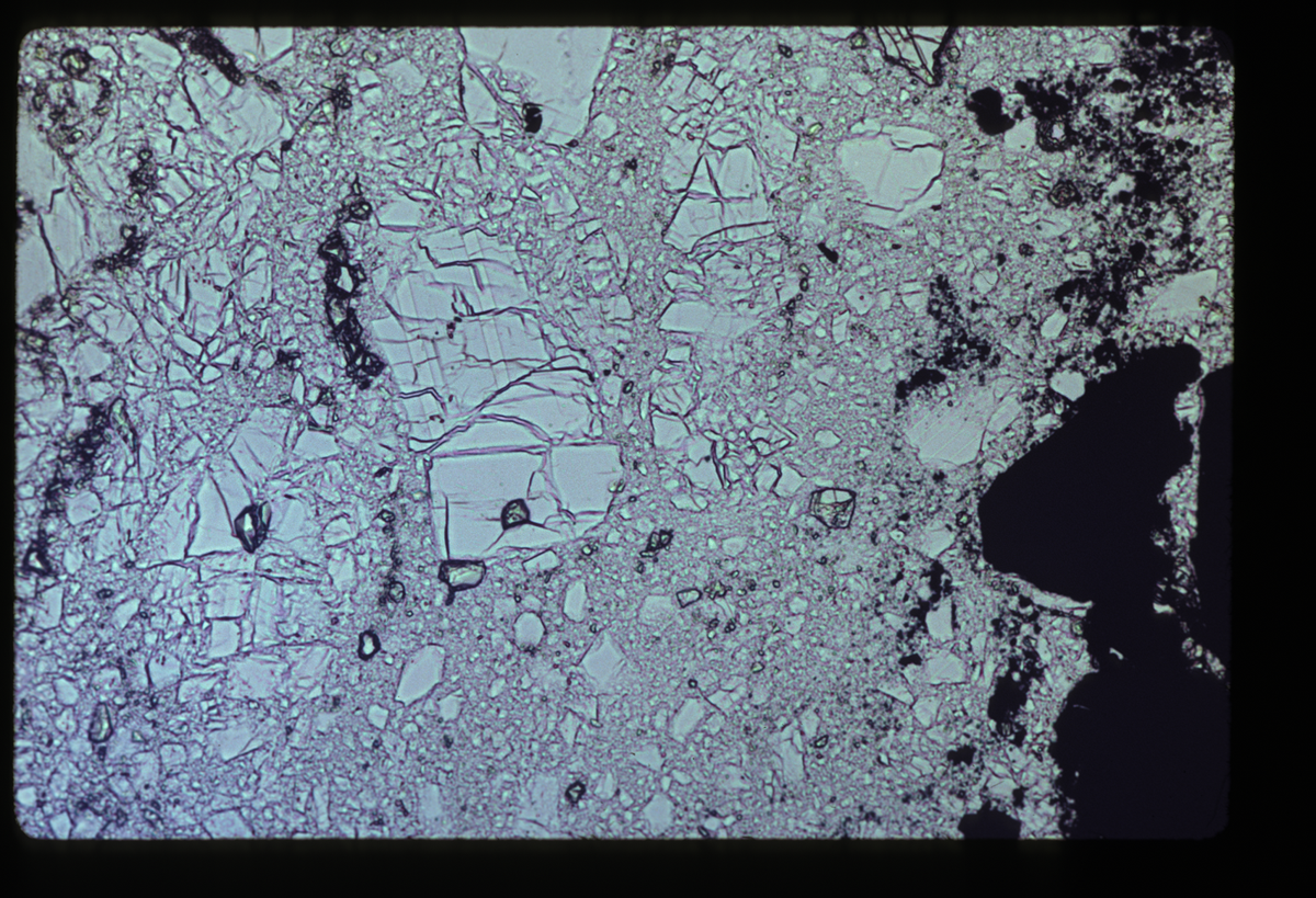
67015 26 Apollo 16 / 11 Odd homfeld clast - recrystallized cataclasite? 2.7 11 Wilshire
ap1603_05_11
ap1603_05_12
100%    50%    25%
67015 26 Apollo 16 / 11 Same as 11 uxn 2.7 12 Wilshire
ap1603_05_12
ap1603_05_13
100%    50%    25%
67015 26 Apollo 16 / 11 Vitrophyre sphere + spindle - orthopyroxene + plagioclase 0.9 13 Wilshire
ap1603_05_13
ap1603_13_13
100%    50%    25%
67015 76 Apollo 16 / 11 Granoblastic-polygonal homfels clast in D1 (=selvage?)- single orthopyroxene in hornfels breaking down 10x 13 Wilshire
ap1603_13_13
ap1603_13_14
100%    50%    25%
67015 76 Apollo 16 / 11 Same as 13 uxn 10x 14 Wilshire
ap1603_13_14
Preview Sample # Piece Mission/
Station
Comments Size Slide
Number
Originator Binder
Position
ap1603_13_15
100%    50%    25%
67015 76 Apollo 16 / 11 General view showing clast in round rock material like selvage + other subangular fragments with no selvage 10x 15 Wilshire
ap1603_13_15
ap1603_13_16
100%    50%    25%
67015 76 Apollo 16 / 11 Spinel with feldspar reaction rim. spinel not at opaque. Rim has granoblastic texture 50x 16 Wilshire
ap1603_13_16
ap1603_13_17
100%    50%    25%
67015 74 Apollo 16 / 11 Same as 16 uxn 50x 17 Wilshire
ap1603_13_17
ap1606_07_03
100%    50%    25%
67015 76 Apollo 16 / 11 general view 8.3 23 Wilshire
ap1606_07_03
ap1606_07_04
100%    50%    25%
67015 76 Apollo 16 / 11 uxn 8.3 24 Wilshire
ap1606_07_04
ap160M_18_05
100%    50%    25%
67015 8 Apollo 16 / 11 theta, dark gray clast in lite intx breccia. 4.4 12 Wilshire
ap160M_18_05
ap160M_18_06
100%    50%    25%
67015 8 Apollo 16 / 11 theta 0.5 13 Wilshire
ap160M_18_06
ap160M_18_07
100%    50%    25%
67015 10 Apollo 16 / 11 theta, typical matrix of lite-matrix breccia 4.4 10 Wilshire
ap160M_18_07
ap160M_18_08
100%    50%    25%
67015 10 Apollo 16 / 11 X 4.4 11 Wilshire
ap160M_18_08
ap160M_18_09
100%    50%    25%
67015 25 Apollo 16 / 11 theta, ulrich 4.4 9 Wilshire
ap160M_18_09
ap160M_18_10
100%    50%    25%
67015 n/a Apollo 16 / 11 square, ulrich n/a n/a Wilshire
ap160M_18_10
ap160M_18_11
100%    50%    25%
67015 26 Apollo 16 / 11 theta, ulrich 5.55 5 Wilshire
ap160M_18_11
ap160M_18_12
100%    50%    25%
67015 26 Apollo 16 / 11 X 5.55 6 Wilshire
ap160M_18_12
ap160M_18_13
100%    50%    25%
67015 26 Apollo 16 / 11 theta ~.7 7 Wilshire
ap160M_18_13
ap160M_18_14
100%    50%    25%
67015 26 Apollo 16 / 11 X ~.7 8 Wilshire
ap160M_18_14
ap160M_18_15
100%    50%    25%
67015 26 Apollo 16 / 11 theta 2.2 14 Wilshire
ap160M_18_15
ap160M_18_16
100%    50%    25%
67015 26 Apollo 16 / 11 X 2.2 15 Wilshire
ap160M_18_16
ap160M_18_17
100%    50%    25%
67015 27 Apollo 16 / 11 theta, 62 (polymictibrz-LSPET) 5.55 3 Wilshire
ap160M_18_17
ap160M_18_18
100%    50%    25%
67015 27 Apollo 16 / 11 X 5.55 4 Wilshire
ap160M_18_18
ap160M_18_19
100%    50%    25%
67015 75 Apollo 16 / 11 I 5.5 1 Wilshire
ap160M_18_19
Preview Sample # Piece Mission/
Station
Comments Size Slide
Number
Originator Binder
Position
ap160M_18_20
100%    50%    25%
67015 75 Apollo 16 / 11 X 5.5 2 Wilshire
ap160M_18_20
ap160M_19_01
100%    50%    25%
67015 81 Apollo 16 / 11 I 5.5 3 Wilshire
ap160M_19_01
ap160M_19_02
100%    50%    25%
67015 81 Apollo 16 / 11 X 5.5 4 Wilshire
ap160M_19_02
ap160M_19_03
100%    50%    25%
67015 88 Apollo 16 / 11 I 5.5 6 Wilshire
ap160M_19_03
ap160M_19_04
100%    50%    25%
67015 88 Apollo 16 / 11 X 5.5 5 Wilshire
ap160M_19_04
ap160M_30_16
100%    50%    25%
67015 n/a Apollo 16 / 11 n/a n/a n/a Wilshire
ap160M_30_16
ap160M_30_17
100%    50%    25%
67015 n/a Apollo 16 / 11 Mugshot B2 white matrix breccia n/a n/a Wilshire
ap160M_30_17
MUG1_07_13
100%    50%    25%
67015 n/a Apollo 16 / 11 n/a n/a 6-13 Wilshire
MUG1_07_13
MUG1_07_14
100%    50%    25%
67015 n/a Apollo 16 / 11 n/a n/a 2-10 Wilshire
MUG1_07_14
MUG1_07_15
100%    50%    25%
67015 1 Apollo 16 / 11 n/a n/a 3-10 Wilshire
MUG1_07_15
MUG1_07_16
100%    50%    25%
67015 1 Apollo 16 / 11 n/a n/a 4-10 Wilshire
MUG1_07_16
MUG1_07_17
100%    50%    25%
67015 2 Apollo 16 / 11 n/a n/a 6-10 Wilshire
MUG1_07_17
MUG1_07_18
100%    50%    25%
67015 2 Apollo 16 / 11 n/a n/a 8-13 Wilshire
MUG1_07_18
MUG1_07_19
100%    50%    25%
67015 2 Apollo 16 / 11 n/a n/a 7-13 Wilshire
MUG1_07_19
MUG1_07_20
100%    50%    25%
67015 2 Apollo 16 / 11 n/a n/a 8-10 Wilshire
MUG1_07_20
ap1601_01_05
100%    50%    25%
67016   Apollo 16 / 11     4 Wilshire
ap1601_01_05
ap1601_02_04
100%    50%    25%
67016 8 Apollo 16 / 11     2 Wilshire
ap1601_02_04
ap160M_19_06
100%    50%    25%
67016 116 Apollo 16 / 11 X 5.5 1 Wilshire
ap160M_19_06
ap160M_30_18
100%    50%    25%
67016 n/a Apollo 16 / 11 n/a n/a n/a Wilshire
ap160M_30_18
ap160M_30_19
100%    50%    25%
67016 n/a Apollo 16 / 11 n/a n/a n/a Wilshire
ap160M_30_19
Preview Sample # Piece Mission/
Station
Comments Size Slide
Number
Originator Binder
Position
ap160M_30_20
100%    50%    25%
67016 n/a Apollo 16 / 11 n/a n/a n/a Wilshire
ap160M_30_20
ap160M_31_01
100%    50%    25%
67016 n/a Apollo 16 / 11 n/a n/a n/a Wilshire
ap160M_31_01
MUG1_08_01
100%    50%    25%
67016 2 Apollo 16 / 11 n/a n/a 7-10 Wilshire
MUG1_08_01
MUG1_08_02
100%    50%    25%
67016 2 Apollo 16 / 11 n/a n/a 9-13 Wilshire
MUG1_08_02
ap1603_05_14
100%    50%    25%
67025 13 Apollo 16 / 11 And plagioclase in ophitic matrix - all plagioclase's --> maskelynite 2.7 14 Wilshire
ap1603_05_14
ap1603_05_15
100%    50%    25%
67025 13 Apollo 16 / 11 Same as 14 uxn 2.7 15 Wilshire
ap1603_05_15
ap1606_01_05
100%    50%    25%
67025 14 Apollo 16 / 11 Shocked plagioclase in ophitic poikilitic matrix 3.3 18 Wilshire
ap1606_01_05
ap1606_01_06
100%    50%    25%
67025 14 Apollo 16 / 11 Same as 18 uxn 3.3 19 Wilshire
ap1606_01_06
ap160M_19_07
100%    50%    25%
67025 13 Apollo 16 / 11 theta ~.5 3 Wilshire
ap160M_19_07
ap160M_19_08
100%    50%    25%
67025 13 Apollo 16 / 11 part theta 3.55 2 Wilshire
ap160M_19_08
ap1603_05_16
100%    50%    25%
67035 15 Apollo 16 / 11 Brown devitrified glass clast enclosing cataclastic plagioclase with band of polygonal plagioclase 3.4 16 Wilshire
ap1603_05_16
ap1603_05_17
100%    50%    25%
67035 15 Apollo 16 / 11 Same as 16 uxn 3.4 17 Wilshire
ap1603_05_17
ap1603_05_18
100%    50%    25%
67035 15 Apollo 16 / 11 UXN Foliated meta-anorthosite - all plagioclase 2.7 18 Wilshire
ap1603_05_18
ap1603_05_19
100%    50%    25%
67035 15 Apollo 16 / 11 Close up of 18 0.9 19 Wilshire
ap1603_05_19
ap1603_05_20
100%    50%    25%
67035 15 Apollo 16 / 11 Close up of 18 0.9 20 Wilshire
ap1603_05_20
ap1603_06_01
100%    50%    25%
67035 15 Apollo 16 / 11 Granoblastic - polygonal homfels Note olivine in thin rim of orthopyroxne 2.7 21 Wilshire
ap1603_06_01
ap1603_06_02
100%    50%    25%
67035 15 Apollo 16 / 11 Same as 21 uxn 2.7 22 Wilshire
ap1603_06_02
ap1603_14_05
100%    50%    25%
67035 14 Apollo 16 / 11 UXN. Foliated dust, all plagioclase 10x 24 Wilshire
ap1603_14_05
ap1603_14_06
100%    50%    25%
67035 14 Apollo 16 / 11 Crushed plagioclase clast with flow-banded selvage   25 Wilshire
ap1603_14_06
ap1603_14_07
100%    50%    25%
67035 14 Apollo 16 / 11 Same as 25 uxn   26 Wilshire
ap1603_14_07
Preview Sample # Piece Mission/
Station
Comments Size Slide
Number
Originator Binder
Position
ap1603_14_08
100%    50%    25%
67035 14 Apollo 16 / 11 2 cored clasts + isolate piece of selvage   27 Wilshire
ap1603_14_08
ap1603_14_09
100%    50%    25%
67035 14 Apollo 16 / 11 2 troctolite? clasts, olivine--> spongy opaques, plagioclase recrystallized 17x 28 Wilshire
ap1603_14_09
ap1603_14_10
100%    50%    25%
67035 14 Apollo 16 / 11 Flow banding in selvage of crushed plagioclase clast 10x 29 Wilshire
ap1603_14_10
ap1603_14_11
100%    50%    25%
67035 14 Apollo 16 / 11 Same as 29 uxn 10x 30 Wilshire
ap1603_14_11
ap1605_13_15
100%    50%    25%
67035 14 Apollo 16 / 11 cored clasts. section is done by salvage spalls 8.2 15 Wilshire
ap1605_13_15
ap1605_13_16
100%    50%    25%
67035 14 Apollo 16 / 11 uxn 8.2 16 Wilshire
ap1605_13_16
ap1605_13_17
100%    50%    25%
67035 14 Apollo 16 / 11 same closer 6.6 17 Wilshire
ap1605_13_17
ap160M_19_09
100%    50%    25%
67035 15 Apollo 16 / 11 theta 5.5 4 Wilshire
ap160M_19_09
ap160M_19_10
100%    50%    25%
67035 15 Apollo 16 / 11 X 5.5 5 Wilshire
ap160M_19_10
ap160M_31_02
100%    50%    25%
67055 n/a Apollo 16 / 11 square n/a n/a Wilshire
ap160M_31_02
ap1601_07_01
100%    50%    25%
67075 2(1) Apollo 16 / 11 general view - dead white = granulated homfels, matrix has much orthopyroxene from a different rock 6.6 1 Wilshire
ap1601_07_01
ap1601_07_02
100%    50%    25%
67075 2(1) Apollo 16 / 11 Same as 1 uxn 6.6 2 Wilshire
ap1601_07_02
ap1601_07_03
100%    50%    25%
67075 2(1) Apollo 16 / 11 Closer of 1 showing matrix "vein" in white area + relict homfels 5.3 3 Wilshire
ap1601_07_03
ap1601_07_04
100%    50%    25%
67075 2(1) Apollo 16 / 11 Same as 3 uxn 5.3 4 Wilshire
ap1601_07_04
ap1601_07_05
100%    50%    25%
67075 2(1) Apollo 16 / 11 Large homfels relict 5.3 5 Wilshire
ap1601_07_05
ap1601_07_06
100%    50%    25%
67075 2(1) Apollo 16 / 11 Same as 5 uxn 5.3 6 Wilshire
ap1601_07_06
ap1601_07_07
100%    50%    25%
67075 2(1) Apollo 16 / 11 Large homfels relict 2.2 7 Wilshire
ap1601_07_07
ap1601_07_08
100%    50%    25%
67075 2(1) Apollo 16 / 11 Same as 7 uxn 2.2 8 Wilshire
ap1601_07_08
ap1601_07_09
100%    50%    25%
67075 2(1) Apollo 16 / 11 White patch "veined" by matrix + small homfels 3.4 9 Wilshire
ap1601_07_09
ap1601_07_10
100%    50%    25%
67075 2(1) Apollo 16 / 11 Same as 9 uxn 3.4 10 Wilshire
ap1601_07_10
Preview Sample # Piece Mission/
Station
Comments Size Slide
Number
Originator Binder
Position
ap1601_07_11
100%    50%    25%
67075 2(1) Apollo 16 / 11 Matrix 3.4 11 Wilshire
ap1601_07_11
ap1601_07_12
100%    50%    25%
67075 2(1) Apollo 16 / 11 Same as 11 uxn 3.4 12 Wilshire
ap1601_07_12
ap1601_07_13
100%    50%    25%
67075 2(1) Apollo 16 / 11 Matrix, closer 2.2 13 Wilshire
ap1601_07_13
ap1601_07_14
100%    50%    25%
67075 2(1) Apollo 16 / 11 Same as 13 uxn 2.2 14 Wilshire
ap1601_07_14
ap1601_07_15
100%    50%    25%
67075 3(1) Apollo 16 / 11 Large homfels + quarried piece in white patch 3.4 15 Wilshire
ap1601_07_15
ap1601_07_16
100%    50%    25%
67075 3(1) Apollo 16 / 11 Same as 15 uxn 3.4 16 Wilshire
ap1601_07_16
ap1601_07_17
100%    50%    25%
67075 3(1) Apollo 16 / 11 Broken olivine - in dead white patch 3.4 17 Wilshire
ap1601_07_17
ap1601_07_18
100%    50%    25%
67075 3(1) Apollo 16 / 11 Same as 17 uxn 3.4 18 Wilshire
ap1601_07_18
ap1601_08_01
100%    50%    25%
67075 3(1) Apollo 16 / 11 White patch + olivine-rich matrix 3.4 19 Wilshire
ap1601_08_01
ap1601_08_02
100%    50%    25%
67075 3(1) Apollo 16 / 11 Same as 19 uxn 3.4 20 Wilshire
ap1601_08_02
ap1601_08_03
100%    50%    25%
67075 3(1) Apollo 16 / 11 Large homfels + olivine in white patch 3.4 21 Wilshire
ap1601_08_03
ap1601_08_04
100%    50%    25%
67075 3(1) Apollo 16 / 11 Same as 21 uxn 3.4 22 Wilshire
ap1601_08_04
ap1601_15_09
100%    50%    25%
67075 2 Apollo 16 / 11 Granoblastic - polygonal texture in largest homfels relict 0.9 9 Wilshire
ap1601_15_09
ap1601_15_10
100%    50%    25%
67075 2 Apollo 16 / 11 Same as 9 uxn 0.9 10 Wilshire
ap1601_15_10
ap1601_15_11
100%    50%    25%
67075 2 Apollo 16 / 11 Small, low relief, low Birefringence grains with reaction rims 0.6 11 Wilshire
ap1601_15_11
ap1603_06_03
100%    50%    25%
67075 52 Apollo 16 / 11 Clinopyroxene - twined + with exsolved? 0.9 23 Wilshire
ap1603_06_03
ap1603_06_04
100%    50%    25%
67075 52 Apollo 16 / 11 Same as 23 uxn 0.9 24 Wilshire
ap1603_06_04
ap1603_06_05
100%    50%    25%
67075 52 Apollo 16 / 11 general view; small patches granoblast in relict plagioclase + isolated Dark in mafics 8.2 25 Wilshire
ap1603_06_05
ap1603_06_06
100%    50%    25%
67075 52 Apollo 16 / 11 Same as 25 uxn 8.2 26 Wilshire
ap1603_06_06
ap1603_06_07
100%    50%    25%
67075 52 Apollo 16 / 11 Stringer of crushed plagioclase; clots of recrystallized rock survived crunch Dark man be mafic min glass 3.4 27 Wilshire
ap1603_06_07
Preview Sample # Piece Mission/
Station
Comments Size Slide
Number
Originator Binder
Position
ap1603_06_08
100%    50%    25%
67075 52 Apollo 16 / 11 Same as 27 uxn 3.4 28 Wilshire
ap1603_06_08
ap1603_06_09
100%    50%    25%
67075 52 Apollo 16 / 11 Patch crushed partly fused? intersely twined clinopyroxene - not strung out 3.4 29 Wilshire
ap1603_06_09
ap1603_06_10
100%    50%    25%
67075 52 Apollo 16 / 11 Same as 29 uxn 3.4 30 Wilshire
ap1603_06_10
ap1603_06_11
100%    50%    25%
67075 52 Apollo 16 / 11 UXN partly recrystallized big plagioclases + one isolated granoblastic homfels - shows origin granoblastic clots 3.4 31 Wilshire
ap1603_06_11
ap160M_19_11
100%    50%    25%
67075 n/a Apollo 16 / 11 square n/a n/a Wilshire
ap160M_19_11
ap160M_19_13
100%    50%    25%
67075 3 Apollo 16 / 11 I 4.4 7 Wilshire
ap160M_19_13
ap160M_19_14
100%    50%    25%
67075 3 Apollo 16 / 11 X 4.4 8 Wilshire
ap160M_19_14
ap160M_19_15
100%    50%    25%
67075 43 Apollo 16 / 11 I 5.5 10 Wilshire
ap160M_19_15
ap160M_19_16
100%    50%    25%
67075 43 Apollo 16 / 11 X 5.5 9 Wilshire
ap160M_19_16
ap160M_19_17
100%    50%    25%
67075 44 Apollo 16 / 11 I 5.5 11 Wilshire
ap160M_19_17
ap160M_19_18
100%    50%    25%
67075 44 Apollo 16 / 11 X 5.5 12 Wilshire
ap160M_19_18
ap160M_19_19
100%    50%    25%
67075 48 Apollo 16 / 11 I 5.5 14 Wilshire
ap160M_19_19
ap160M_19_20
100%    50%    25%
67075 48 Apollo 16 / 11 X 5.5 13 Wilshire
ap160M_19_20
ap160M_20_01
100%    50%    25%
67075 49 Apollo 16 / 11 I 5.5 15 Wilshire
ap160M_20_01
ap160M_20_02
100%    50%    25%
67075 49 Apollo 16 / 11 X 5.5 16 Wilshire
ap160M_20_02
ap160M_20_03
100%    50%    25%
67075 52 Apollo 16 / 11 theta, North Ray Crater rim, B1, II, Ulrich, (Cat an LSPET) 5.5 6 Wilshire
ap160M_20_03
ap160M_20_04
100%    50%    25%
67075 52 Apollo 16 / 11 X, Ulrich, Cataclastic anorthosite with pyroxene- North ray crater 5.5 7 Wilshire
ap160M_20_04
ap160M_31_03
100%    50%    25%
67075 n/a Apollo 16 / 11 n/a n/a n/a Wilshire
ap160M_31_03
ap160M_20_05
100%    50%    25%
67095 38 Apollo 16 / 11 I 3.5 19 Wilshire
ap160M_20_05
ap160M_20_06
100%    50%    25%
67095 38 Apollo 16 / 11 X 3.5 20 Wilshire
ap160M_20_06
Preview Sample # Piece Mission/
Station
Comments Size Slide
Number
Originator Binder
Position
ap160M_20_07
100%    50%    25%
67095 38 Apollo 16 / 11 I 5.5 18 Wilshire
ap160M_20_07
ap160M_20_08
100%    50%    25%
67095 38 Apollo 16 / 11 X 5.5 17 Wilshire
ap160M_20_08
ap1604_14_05
100%    50%    25%
67115 30 Apollo 16 / 11 Glass + marginal spherulites 3.4 24 Wilshire
ap1604_14_05
ap160M_20_09
100%    50%    25%
67115 30 Apollo 16 / 11 theta 5.5 3 Wilshire
ap160M_20_09
ap160M_20_10
100%    50%    25%
67115 30 Apollo 16 / 11 X 5.5 4 Wilshire
ap160M_20_10
ap1603_06_12
100%    50%    25%
67415 14 Apollo 16 / 11 Granoblastic polygonal clast with round olivine enclosed in interstitial orthopyroxeme? with exsolved? wormy texture 2.7 32 Wilshire
ap1603_06_12
ap1603_06_13
100%    50%    25%
67415 14 Apollo 16 / 11 Same as 32 uxn 2.7 33 Wilshire
ap1603_06_13
ap1603_06_14
100%    50%    25%
67415 14 Apollo 16 / 11 Close up round of surrounded by orthopyroxene with wormy exsolved texture? 0.7 34 Wilshire
ap1603_06_14
ap1603_06_15
100%    50%    25%
67415 14 Apollo 16 / 11 Same as 34 uxn 0.7 35 Wilshire
ap1603_06_15
ap1603_06_16
100%    50%    25%
67415 14 Apollo 16 / 11 Tiny round olivine or pyroxene in plagioclase + larger rnd plagioclase in olivine in honfels clast 0.9 36 Wilshire
ap1603_06_16
ap1603_06_17
100%    50%    25%
67415 14 Apollo 16 / 11 Same as 36 uxn 0.9 37 Wilshire
ap1603_06_17
ap1603_07_01
100%    50%    25%
67415 14 Apollo 16 / 11 General view 8.2 1 Wilshire
ap1603_07_01
ap1603_07_02
100%    50%    25%
67415 14 Apollo 16 / 11 Same as 1 uxn 8.2 2 Wilshire
ap1603_07_02
ap1603_11_01
100%    50%    25%
67415 13 Apollo 16 / 11 Exsolved in interstitial orthopyroene in granoblastic polygonal homfels clast. Round olivines in orthopyroxene 20x 1 Wilshire
ap1603_11_01
ap1603_11_02
100%    50%    25%
67415 13 Apollo 16 / 11 Same as 1 uxn 20x 2 Wilshire
ap1603_11_02
ap1603_11_03
100%    50%    25%
67415 13 Apollo 16 / 11 Same as 1 25x 3 Wilshire
ap1603_11_03
ap1603_11_04
100%    50%    25%
67415 13 Apollo 16 / 11 Same as 3 uxn 25x 4 Wilshire
ap1603_11_04
ap1606_01_01
100%    50%    25%
67415 13 Apollo 16 / 11 Granoblastic coarse. hornfels inclusion- exsolved in orthopyroxene of hornfels. Big grains outside probably from vig lining 3.3 14 Wilshire
ap1606_01_01
ap1606_01_02
100%    50%    25%
67415 13 Apollo 16 / 11 Same as 14 uxn 3.3 15 Wilshire
ap1606_01_02
ap1606_01_03
100%    50%    25%
67415 13 Apollo 16 / 11 Another view with "meta anorthosites" uxn 3.3 16 Wilshire
ap1606_01_03
Preview Sample # Piece Mission/
Station
Comments Size Slide
Number
Originator Binder
Position
ap1606_01_04
100%    50%    25%
67415 13 Apollo 16 / 11 Same as 16 3.3 17 Wilshire
ap1606_01_04
ap160M_20_11
100%    50%    25%
67415 14 Apollo 16 / 11 theta 4.4 8 Wilshire
ap160M_20_11
ap160M_20_12
100%    50%    25%
67415 14 Apollo 16 / 11 X 4.4 9 Wilshire
ap160M_20_12
ap160M_31_04
100%    50%    25%
67415 n/a Apollo 16 / 11 n/a n/a n/a Wilshire
ap160M_31_04
ap1602_05_11
100%    50%    25%
67435 17 Apollo 16 / 11 Partly devitrified glass with plagioclase fragments 3.4 11 Wilshire
ap1602_05_11
ap1602_05_12
100%    50%    25%
67435 17 Apollo 16 / 11 Same as 11 uxn 3.4 12 Wilshire
ap1602_05_12
ap1602_05_13
100%    50%    25%
67435 17 Apollo 16 / 11 Melt zone texture 0.9 13 Wilshire
ap1602_05_13
ap1602_05_14
100%    50%    25%
67435 17 Apollo 16 / 11 Same as 13 uxn 0.9 14 Wilshire
ap1602_05_14
ap1602_05_15
100%    50%    25%
67435 17 Apollo 16 / 11 Melt zone texture 0.7 15 Wilshire
ap1602_05_15
ap1602_05_16
100%    50%    25%
67435 17 Apollo 16 / 11 Melt zone texture 0.7 16 Wilshire
ap1602_05_16
ap1602_09_15
100%    50%    25%
67435 15 Apollo 16 / 11 recrystallized troctolite clast 0.9 15 Wilshire
ap1602_09_15
ap1602_09_16
100%    50%    25%
67435 15 Apollo 16 / 11 Same as 15 uxn 0.9 16 Wilshire
ap1602_09_16
ap1602_09_17
100%    50%    25%
67435 15 Apollo 16 / 11 Metaclastic clast B4 breccia - " white" clastic dark hornfels matrix 2.7 17 Wilshire
ap1602_09_17
ap1602_09_18
100%    50%    25%
67435 15 Apollo 16 / 11 Same as 17 uxn 2.7 18 Wilshire
ap1602_09_18
ap1602_09_19
100%    50%    25%
67435 15 Apollo 16 / 11 Homfels + crushed plagioclase clasts 2.7 19 Wilshire
ap1602_09_19
ap1602_09_20
100%    50%    25%
67435 15 Apollo 16 / 11 Same as 19 uxn 2.7 20 Wilshire
ap1602_09_20
ap1602_10_01
100%    50%    25%
67435 15 Apollo 16 / 11 Poikiloblastic texture with plagioclase laths 0.7 21 Wilshire
ap1602_10_01
ap1602_10_02
100%    50%    25%
67435 15 Apollo 16 / 11 Same as 21 uxn 0.7 22 Wilshire
ap1602_10_02
ap1603_07_03
100%    50%    25%
67435 15 Apollo 16 / 11 Typical poikiloblastic texture with plagioclase laths ragged olivine + a sliver of spinel 0.9 3 Wilshire
ap1603_07_03
ap1603_07_04
100%    50%    25%
67435 15 Apollo 16 / 11 Same as 3 uxn 0.9 4 Wilshire
ap1603_07_04
Preview Sample # Piece Mission/
Station
Comments Size Slide
Number
Originator Binder
Position
ap1603_17_01
100%    50%    25%
67435 14 Apollo 16 / 11 Spinel troctolite cumulate - olivine, spinel poikilitic enclosed in plagioclase 8.2 1 Wilshire
ap1603_17_01
ap1603_17_02
100%    50%    25%
67435 14 Apollo 16 / 11 Same as 1 uxn 8.2 2 Wilshire
ap1603_17_02
ap1603_17_03
100%    50%    25%
67435 14 Apollo 16 / 11 Same as 1, closer 6.6 3 Wilshire
ap1603_17_03
ap1603_17_04
100%    50%    25%
67435 14 Apollo 16 / 11 Same as 3 uxn 6.6 4 Wilshire
ap1603_17_04
ap1603_17_05
100%    50%    25%
67435 14 Apollo 16 / 11 Poikilitic plagioclase in extrusion 6.6 5 Wilshire
ap1603_17_05
ap1603_17_06
100%    50%    25%
67435 14 Apollo 16 / 11 Closer 5.3 6 Wilshire
ap1603_17_06
ap1603_17_07
100%    50%    25%
67435 14 Apollo 16 / 11 Same as 6 uxn 5.3 7 Wilshire
ap1603_17_07
ap1603_17_08
100%    50%    25%
67435 14 Apollo 16 / 11 Closer 3.4 8 Wilshire
ap1603_17_08
ap1603_17_10
100%    50%    25%
67435 14 Apollo 16 / 11 Another view 3.4 10 Wilshire
ap1603_17_10
ap1603_17_11
100%    50%    25%
67435 14 Apollo 16 / 11 Same as 10 uxn 3.4 11 Wilshire
ap1603_17_11
ap1603_17_12
100%    50%    25%
67435 14 Apollo 16 / 11 Closer, spinel-rich zone 2.2 12 Wilshire
ap1603_17_12
ap1603_17_13
100%    50%    25%
67435 14 Apollo 16 / 11 Same as 12 uxn 2.2 13 Wilshire
ap1603_17_13
ap1606_07_05
100%    50%    25%
67435 21 Apollo 16 / 11 Clast with clast of D3 veined by sl poikilitic lighter D3 8.3 25 Wilshire
ap1606_07_05
ap1606_07_06
100%    50%    25%
67435 21 Apollo 16 / 11 uxn 8.3 26 Wilshire
ap1606_07_06
ap160M_20_13
100%    50%    25%
67435 15 Apollo 16 / 11 theta 4.4 8 Wilshire
ap160M_20_13
ap160M_20_14
100%    50%    25%
67435 15 Apollo 16 / 11 X 4.4 9 Wilshire
ap160M_20_14
ap160M_31_05
100%    50%    25%
67435 n/a Apollo 16 / 11 square n/a n/a Wilshire
ap160M_31_05
ap1604_05_07
100%    50%    25%
67455 50 Apollo 16 / 11 Plagioclase cataclastic clast with devitrified glass vein + fragments of vein. Near percussion cone in [illegible] breccia? - rebroken 3.4 7 Wilshire
ap1604_05_07
ap1604_05_08
100%    50%    25%
67455 50 Apollo 16 / 11 Same as 7 uxn 3.4 8 Wilshire
ap1604_05_08
ap1604_05_09
100%    50%    25%
67455 50 Apollo 16 / 11 Polymict breccia, note spinel with reaction rim in dark chot. Brown fragments probably pieces of vein 8.2 9 Wilshire
ap1604_05_09
Preview Sample # Piece Mission/
Station
Comments Size Slide
Number
Originator Binder
Position
ap1604_05_10
100%    50%    25%
67455 50 Apollo 16 / 11 Same as 9 uxn 8.2 10 Wilshire
ap1604_05_10
ap1604_05_11
100%    50%    25%
67455 50 Apollo 16 / 11 Another view - cataclasite clasts 8.2 11 Wilshire
ap1604_05_11
ap1604_05_12
100%    50%    25%
67455 50 Apollo 16 / 11 Same as 11 uxn 8.2 12 Wilshire
ap1604_05_12
ap1604_05_13
100%    50%    25%
67455 46 Apollo 16 / 11 Clasts + firmly annealed granoblastic matrix? 3.4 13 Wilshire
ap1604_05_13
ap1604_05_14
100%    50%    25%
67455 46 Apollo 16 / 11 Same as 13 uxn 3.4 14 Wilshire
ap1604_05_14
ap1604_05_15
100%    50%    25%
67455 46 Apollo 16 / 11 Homfels + poikilitic clasts 3.4 15 Wilshire
ap1604_05_15
ap1604_05_16
100%    50%    25%
67455 46 Apollo 16 / 11 Same as 15 uxn 3.4 16 Wilshire
ap1604_05_16
ap1604_05_17
100%    50%    25%
67455 46 Apollo 16 / 11 Probably broken vein clasts matrix probably broken fine homfels 8.2 17 Wilshire
ap1604_05_17
ap1604_05_18
100%    50%    25%
67455 46 Apollo 16 / 11 Same as 17 uxn 8.2 18 Wilshire
ap1604_05_18
ap1604_05_19
100%    50%    25%
67455 46 Apollo 16 / 11 Closer. Source rock (like 67456 1) glass veining of homfels 2) shattering by "shatter cone" - but glass annealed! 3.4 19 Wilshire
ap1604_05_19
ap1604_05_20
100%    50%    25%
67455 46 Apollo 16 / 11 Same as 19 uxn 3.4 20 Wilshire
ap1604_05_20
ap1604_07_13
100%    50%    25%
67455 45 Apollo 16 / 11 Devitrified brown glass fragment in ot. cataclastic vein through finely pulverized fine grained homfels 3.4 13 Wilshire
ap1604_07_13
ap1604_07_14
100%    50%    25%
67455 45 Apollo 16 / 11 Same as 13 uxn 3.4 14 Wilshire
ap1604_07_14
ap1604_07_15
100%    50%    25%
67455 45 Apollo 16 / 11 Broken glass veined clast in brownish glassy or devitrified matrix 2.2 15 Wilshire
ap1604_07_15
ap1604_07_16
100%    50%    25%
67455 45 Apollo 16 / 11 Same as 15 uxn 2.2 16 Wilshire
ap1604_07_16
ap1606_07_07
100%    50%    25%
67455 49 Apollo 16 / 11 general view 8.3 27 Wilshire
ap1606_07_07
ap1606_07_08
100%    50%    25%
67455 49 Apollo 16 / 11 uxn 8.3 28 Wilshire
ap1606_07_08
ap160M_20_15
100%    50%    25%
67455 50 Apollo 16 / 11 plain, Chao, B2, L. matrix m Dark clast. 5.5 1 Wilshire
ap160M_20_15
ap160M_20_16
100%    50%    25%
67455 50 Apollo 16 / 11 x-hic. B2 5.5 2 Wilshire
ap160M_20_16
ap160M_20_17
100%    50%    25%
67455 53 Apollo 16 / 11 I 5.5 1 Wilshire
ap160M_20_17
Preview Sample # Piece Mission/
Station
Comments Size Slide
Number
Originator Binder
Position
ap160M_20_18
100%    50%    25%
67455 53 Apollo 16 / 11 theta 5.5 2 Wilshire
ap160M_20_18
ap160M_20_19
100%    50%    25%
67455 57 Apollo 16 / 11 theta 0.5 12 Wilshire
ap160M_20_19
ap160M_20_20
100%    50%    25%
67455 57 Apollo 16 / 11 X 0.5 13 Wilshire
ap160M_20_20
ap160M_21_01
100%    50%    25%
67455 57 Apollo 16 / 11 theta, Ulrich, Light=matrix breccia from North Ray Crater 5.5 10 Wilshire
ap160M_21_01
ap160M_21_02
100%    50%    25%
67455 57 Apollo 16 / 11 X, Ulrich 5.5 11 Wilshire
ap160M_21_02
ap160M_30_06
100%    50%    25%
67455 n/a Apollo 16 / 11 n/a n/a n/a Wilshire
ap160M_30_06
ap160M_31_06
100%    50%    25%
67455 n/a Apollo 16 / 11 square n/a n/a Wilshire
ap160M_31_06
ap160M_31_07
100%    50%    25%
67455 n/a Apollo 16 / 11 square n/a n/a Wilshire
ap160M_31_07
ap1601_01_07
100%    50%    25%
67475   Apollo 16 / 11     11 Wilshire
ap1601_01_07
ap1601_02_01
100%    50%    25%
67475 4 Apollo 16 / 11     12 Wilshire
ap1601_02_01
ap1605_15_05
100%    50%    25%
67475 47 Apollo 16 / 11 Troctolite (101, 1 plagioclase) clast 3.4 6 Wilshire
ap1605_15_05
ap1605_15_06
100%    50%    25%
67475 47 Apollo 16 / 11 uxn 3.4 7 Wilshire
ap1605_15_06
ap1605_15_07
100%    50%    25%
67475 47 Apollo 16 / 11 Partial melt salvage on anorthosite 2.7 8 Wilshire
ap1605_15_07
ap1605_15_08
100%    50%    25%
67475 47 Apollo 16 / 11 uxn 2.7 9 Wilshire
ap1605_15_08
ap1605_15_09
100%    50%    25%
67475 47 Apollo 16 / 11 Anorthosite clast, partial salvage melt texture 0.9 10 Wilshire
ap1605_15_09
ap1605_15_10
100%    50%    25%
67475 47 Apollo 16 / 11 uxn 0.9 11 Wilshire
ap1605_15_10
ap160M_21_03
100%    50%    25%
67475 48 Apollo 16 / 11 I 5.5 3 Wilshire
ap160M_21_03
ap160M_21_04
100%    50%    25%
67475 48 Apollo 16 / 11 X 5.5 4 Wilshire
ap160M_21_04
ap160M_21_05
100%    50%    25%
67475 48 Apollo 16 / 11 I 5.5 6 Wilshire
ap160M_21_05
ap160M_21_06
100%    50%    25%
67475 48 Apollo 16 / 11 theta 5.5 5 Wilshire
ap160M_21_06
Preview Sample # Piece Mission/
Station
Comments Size Slide
Number
Originator Binder
Position
ap160M_31_08
100%    50%    25%
67475 n/a Apollo 16 / 11 square clast in 455 n/a n/a Wilshire
ap160M_31_08
MUG1_08_03
100%    50%    25%
67475 n/a Apollo 16 / 11 B4 n/a 9-10 Wilshire
MUG1_08_03
MUG1_08_04
100%    50%    25%
67475 n/a Apollo 16 / 11 n/a n/a 13 Wilshire
MUG1_08_04
ap160M_21_07
100%    50%    25%
67555 45 Apollo 16 / 11 x-hic 5.5 6 Wilshire
ap160M_21_07
ap160M_21_08
100%    50%    25%
67555 45 Apollo 16 / 11 Chao, plain 5.5 5 Wilshire
ap160M_21_08
ap160M_21_09
100%    50%    25%
67555 45 Apollo 16 / 11 x-hic 5.5 4 Wilshire
ap160M_21_09
ap160M_21_10
100%    50%    25%
67555 45 Apollo 16 / 11 plain, Chao, med graydark gray matrix 5.5 3 Wilshire
ap160M_21_10
ap160M_21_11
100%    50%    25%
67705 6 Apollo 16 / 11 Ulrich, glass agglutinate Vesicles and quench crystals 5.5 7 Wilshire
ap160M_21_11
ap160M_21_12
100%    50%    25%
67705 6 Apollo 16 / 11 theta, Ulrich 5.5 8 Wilshire
ap160M_21_12
ap160M_21_13
100%    50%    25%
67705 7 Apollo 16 / 11 I 3.5 9 Wilshire
ap160M_21_13
ap160M_21_15
100%    50%    25%
67707 13 Apollo 16 / 11 I 1.8 10 Wilshire
ap160M_21_15
ap160M_21_16
100%    50%    25%
67707 13 Apollo 16 / 11 theta 1.8 11 Wilshire
ap160M_21_16
ap1603_07_05
100%    50%    25%
67735 13 Apollo 16 / 11 Patches with intersertal texture in brownish matrix ( devitrified? glass?) very fine granoblast 0.9 5 Wilshire
ap1603_07_05
ap1603_07_06
100%    50%    25%
67735 13 Apollo 16 / 11 Same as 5 uxn 0.9 6 Wilshire
ap1603_07_06
ap1606_07_09
100%    50%    25%
67735 14 Apollo 16 / 11 General view 6.6 29 Wilshire
ap1606_07_09
ap1606_07_10
100%    50%    25%
67735 14 Apollo 16 / 11 uxn 6.6 30 Wilshire
ap1606_07_10
ap160M_21_17
100%    50%    25%
67735 13 Apollo 16 / 11 I 4.4 13 Wilshire
ap160M_21_17
ap160M_21_18
100%    50%    25%
67735 13 Apollo 16 / 11 theta 4.4 12 Wilshire
ap160M_21_18
ap160M_21_19
100%    50%    25%
67915 78 Apollo 16 / 11 I 4.4 14 Wilshire
ap160M_21_19
ap160M_21_20
100%    50%    25%
67915 78 Apollo 16 / 11 X 4.4 15 Wilshire
ap160M_21_20
Preview Sample # Piece Mission/
Station
Comments Size Slide
Number
Originator Binder
Position
ap160M_22_01
100%    50%    25%
67915 78 Apollo 16 / 11 I 3.5 17 Wilshire
ap160M_22_01
ap160M_22_02
100%    50%    25%
67915 78 Apollo 16 / 11 X 3.5 16 Wilshire
ap160M_22_02
ap160M_22_03
100%    50%    25%
67915 87 Apollo 16 / 11 part theta 5.5 15 Wilshire
ap160M_22_03
ap160M_22_04
100%    50%    25%
67915 87 Apollo 16 / 11 theta 5.5 14 Wilshire
ap160M_22_04
ap160M_22_05
100%    50%    25%
67915 87 Apollo 16 / 11 theta 0.5 12 Wilshire
ap160M_22_05
ap160M_22_06
100%    50%    25%
67915 87 Apollo 16 / 11 X 0.5 13 Wilshire
ap160M_22_06
ap160M_22_07
100%    50%    25%
67915 87 Apollo 16 / 11 theta 5.5 10 Wilshire
ap160M_22_07
ap160M_22_08
100%    50%    25%
67915 87 Apollo 16 / 11 X 5.5 11 Wilshire
ap160M_22_08
ap160M_31_09
100%    50%    25%
67915 n/a Apollo 16 / 11 square n/a n/a Wilshire
ap160M_31_09
ap160M_31_10
100%    50%    25%
67935 n/a Apollo 16 / 11 X n/a n/a Wilshire
ap160M_31_10
ap1603_07_07
100%    50%    25%
67936 13 Apollo 16 / 11 Ophitic zone --> narrow "chilled" + granoblastic zone --> very fine granoblast with crystallized debris. glass vein 2.2 7 Wilshire
ap1603_07_07
ap1603_07_08
100%    50%    25%
67936 13 Apollo 16 / 11 Same as 7 uxn 2.2 8 Wilshire
ap1603_07_08
ap1603_07_09
100%    50%    25%
67936 13 Apollo 16 / 11 Spalling of round fragments into glass veins 0.9 9 Wilshire
ap1603_07_09
ap160M_22_09
100%    50%    25%
67936 13 Apollo 16 / 11 theta 5.5 14 Wilshire
ap160M_22_09
ap160M_22_10
100%    50%    25%
67936 13 Apollo 16 / 11 I 2.25 18 Wilshire
ap160M_22_10
ap160M_22_11
100%    50%    25%
67936 13 Apollo 16 / 11 X 2.25 19 Wilshire
ap160M_22_11
ap160M_22_12
100%    50%    25%
67936 14 Apollo 16 / 11 theta 0.5 20 Wilshire
ap160M_22_12
ap160M_22_13
100%    50%    25%
67936 14 Apollo 16 / 11 theta 2.2 18 Wilshire
ap160M_22_13
ap160M_22_14
100%    50%    25%
67936 14 Apollo 16 / 11 X 2.2 19 Wilshire
ap160M_22_14
ap160M_22_15
100%    50%    25%
67936 14 Apollo 16 / 11 theta 60g 4.4 16 Wilshire
ap160M_22_15
Preview Sample # Piece Mission/
Station
Comments Size Slide
Number
Originator Binder
Position
ap160M_22_16
100%    50%    25%
67936 14 Apollo 16 / 11 X part x 4.4 17 Wilshire
ap160M_22_16
ap160M_22_17
100%    50%    25%
67936 15 Apollo 16 / 11 I 1.5 20 Wilshire
ap160M_22_17
ap160M_22_18
100%    50%    25%
67936 15 Apollo 16 / 11 X 1.5 21 Wilshire
ap160M_22_18
ap160M_22_19
100%    50%    25%
67936 14 Apollo 16 / 11 I 1.5 1 Wilshire
ap160M_22_19
ap160M_22_20
100%    50%    25%
67936 15 Apollo 16 / 11 I 1.5 2 Wilshire
ap160M_22_20
ap1603_07_10
100%    50%    25%
67937 13 Apollo 16 / 11 Grad. ophitic --> intersertal 3.4 10 Wilshire
ap1603_07_10
ap1603_07_11
100%    50%    25%
67937 13 Apollo 16 / 11 Same as 10 uxn 3.4 11 Wilshire
ap1603_07_11
ap1603_07_12
100%    50%    25%
67937 13 Apollo 16 / 11 Small plagioclase clast, partly melted + crystallized to laths (some irregular relicts) in ophitic matrix 0.9 12 Wilshire
ap1603_07_12
ap1603_07_13
100%    50%    25%
67937 13 Apollo 16 / 11 Same as 12 uxn 0.9 13 Wilshire
ap1603_07_13
ap1603_07_14
100%    50%    25%
67937 12 Apollo 16 / 11 Fine metaclastic clast in intersertal zone. Plagioclase;s at high < clast edge 3.4 14 Wilshire
ap1603_07_14
ap1603_07_15
100%    50%    25%
67937 14 Apollo 16 / 11 Same as 14 uxn 3.4 15 Wilshire
ap1603_07_15
ap1603_07_16
100%    50%    25%
67937 14 Apollo 16 / 11 Broken, partly melted plagioclase fragments, newly crystallized to laths 0.9 16 Wilshire
ap1603_07_16
ap1603_07_17
100%    50%    25%
67937 14 Apollo 16 / 11 Same as 16 showing marginal laths on large plagioclase out into ophitic matrix 0.9 17 Wilshire
ap1603_07_17
ap1603_11_07
100%    50%    25%
67937 16 Apollo 16 / 11 Granoblastic - polygonal clast in ophitic matrix 10x 7 Wilshire
ap1603_11_07
ap1603_11_08
100%    50%    25%
67937 16 Apollo 16 / 11 Same as 7 uxn 10x 8 Wilshire
ap1603_11_08
ap1603_11_09
100%    50%    25%
67937 16 Apollo 16 / 11 Plagioclase relict + textural heterogenity in ophitic matrix 20x 9 Wilshire
ap1603_11_09
ap1603_11_10
100%    50%    25%
67937 16 Apollo 16 / 11 Same as 9 uxn 20x 10 Wilshire
ap1603_11_10
ap1605_14_01
100%    50%    25%
67937 16 Apollo 16 / 11 Intersertal-ophitic melt texture, meta-anorthosite 8.2 18 Wilshire
ap1605_14_01
ap1605_14_02
100%    50%    25%
67937 16 Apollo 16 / 11 uxn 8.2 19 Wilshire
ap1605_14_02
ap1605_14_03
100%    50%    25%
67937 16 Apollo 16 / 11 same, closer 3.4 20 Wilshire
ap1605_14_03
Preview Sample # Piece Mission/
Station
Comments Size Slide
Number
Originator Binder
Position
ap1605_14_04
100%    50%    25%
67937 16 Apollo 16 / 11 uxn 3.4 21 Wilshire
ap1605_14_04
ap1605_14_05
100%    50%    25%
67937 16 Apollo 16 / 11 Intersertal-ophit textural variations 3.4 22 Wilshire
ap1605_14_05
ap1605_14_06
100%    50%    25%
67937 16 Apollo 16 / 11 uxn 3.4 23 Wilshire
ap1605_14_06
ap1603_08_05
100%    50%    25%
67945 13 Apollo 16 / 11 UXN Circular cavities cut across single crystals in melt zone 0.9 24 Wilshire
ap1603_08_05
ap1606_07_11
100%    50%    25%
67945 13 Apollo 16 / 11 weak poikilitic 5 31 Wilshire
ap1606_07_11
ap1606_07_12
100%    50%    25%
67945 13 Apollo 16 / 11 uxn 5 32 Wilshire
ap1606_07_12
ap160M_23_01
100%    50%    25%
67945 15 Apollo 16 / 11 theta 0.5 5 Wilshire
ap160M_23_01
ap1603_07_18
100%    50%    25%
67946 13 Apollo 16 / 11 Metaclast. anorthosite on patchy crystallized melt zone; local fusion in rock --> intersertal texture 3.4 18 Wilshire
ap1603_07_18
ap1603_07_19
100%    50%    25%
67946 13 Apollo 16 / 11 Same as 18 uxn 3.4 19 Wilshire
ap1603_07_19
ap1603_08_01
100%    50%    25%
67946 13 Apollo 16 / 11 Intersertal texture developed at expense of broken plagioclase's in metaclastic fragments 0.7 20 Wilshire
ap1603_08_01
ap1603_08_02
100%    50%    25%
67946 13 Apollo 16 / 11 Same as 20 uxn 0.7 21 Wilshire
ap1603_08_02
ap1603_08_03
100%    50%    25%
67946 16 Apollo 16 / 11 Perfectly circular cavity in homfels; part of bound in lath texture of # 20 0.9 22 Wilshire
ap1603_08_03
ap1603_08_04
100%    50%    25%
67946 13 Apollo 16 / 11 UXN Another cavity like #22; small metaclastic fragment isolated in melt zone 0.9 23 Wilshire
ap1603_08_04
ap1605_14_07
100%    50%    25%
67946 14 Apollo 16 / 11 cookie cutter vesicles 3.4 24 Wilshire
ap1605_14_07
ap1605_14_08
100%    50%    25%
67946 14 Apollo 16 / 11 uxn 3.4 25 Wilshire
ap1605_14_08
ap1605_14_09
100%    50%    25%
67946 14 Apollo 16 / 11 melt texture 3.4 26 Wilshire
ap1605_14_09
ap1605_14_10
100%    50%    25%
67946 14 Apollo 16 / 11 uxn 3.4 27 Wilshire
ap1605_14_10
ap160M_23_03
100%    50%    25%
67946 13 Apollo 16 / 11 theta 3.55 1 Wilshire
ap160M_23_03
ap160M_23_04
100%    50%    25%
67946 13 Apollo 16 / 11 X 3.55 2 Wilshire
ap160M_23_04
ap1603_08_06
100%    50%    25%
67948 15 Apollo 16 / 11 general texture olivine? mantled by orthopyroxene? interstitial ilmenite laths + glass 2.2 25 Wilshire
ap1603_08_06
Preview Sample # Piece Mission/
Station
Comments Size Slide
Number
Originator Binder
Position
ap1603_08_07
100%    50%    25%
67948 15 Apollo 16 / 11 Same as 25 uxn 2.7 26 Wilshire
ap1603_08_07
ap1603_08_08
100%    50%    25%
67948 15 Apollo 16 / 11 UXN Another view, clinopyroxene? ophitic enclosing plagioclase 2.7 27 Wilshire
ap1603_08_08
ap1606_07_13
100%    50%    25%
67948 14 Apollo 16 / 11 68415 - type 5 33 Wilshire
ap1606_07_13
ap1606_07_14
100%    50%    25%
67948 14 Apollo 16 / 11 uxn 5 34 Wilshire
ap1606_07_14
ap160M_23_05
100%    50%    25%
67948 13 Apollo 16 / 11 theta 5.5 15 Wilshire
ap160M_23_05
ap160M_23_06
100%    50%    25%
67948 13 Apollo 16 / 11 X, 1.6g 5.5 16 Wilshire
ap160M_23_06
ap160M_23_07
100%    50%    25%
67948 15 Apollo 16 / 11 I 1.5 4 Wilshire
ap160M_23_07
ap160M_23_08
100%    50%    25%
67948 15 Apollo 16 / 11 X 1.5 3 Wilshire
ap160M_23_08
ap1601_11_05
100%    50%    25%
67955 7 Apollo 16 / 11 general shattered metagabbro relict metagabbro + 1 granoblastic polygranular. anorthosite fragments 5.3 5 Wilshire
ap1601_11_05
ap1601_11_06
100%    50%    25%
67955 7 Apollo 16 / 11 Same as 5 uxn 5.3 6 Wilshire
ap1601_11_06
ap1601_11_07
100%    50%    25%
67955 6 Apollo 16 / 11 general view. Big metagabbro + anorthosite 5.3 7 Wilshire
ap1601_11_07
ap1601_11_08
100%    50%    25%
67955 6 Apollo 16 / 11 Same as 7 uxn 5.3 8 Wilshire
ap1601_11_08
ap1601_11_09
100%    50%    25%
67955 6 Apollo 16 / 11 Metagabbro, plagioclases + round olivines in orthopyroxene 2.2 9 Wilshire
ap1601_11_09
ap1601_11_10
100%    50%    25%
67955 6 Apollo 16 / 11 Same as 9 uxn 2.2 10 Wilshire
ap1601_11_10
ap1601_11_11
100%    50%    25%
67955 6 Apollo 16 / 11 Metagabbro, mylonitized edge. Round pyroxenes in plagioclase 2.2 11 Wilshire
ap1601_11_11
ap1601_11_12
100%    50%    25%
67955 6 Apollo 16 / 11 Same as 11 uxn 2.2 12 Wilshire
ap1601_11_12
ap1601_11_13
100%    50%    25%
67955 6 Apollo 16 / 11 Rounded olivine in clinopyroxene enclosing plagioclase. Round pyroxenes in big plagioclase 0.9 13 Wilshire
ap1601_11_13
ap1601_11_14
100%    50%    25%
67955 6 Apollo 16 / 11 Same as 13 uxn 0.9 14 Wilshire
ap1601_11_14
ap1601_11_15
100%    50%    25%
67955 6 Apollo 16 / 11 Clast with large orthopyroxene enclosing olivine. 2 long strips of finely recrystallized in relict pyroxene? 2.2 15 Wilshire
ap1601_11_15
ap1601_11_16
100%    50%    25%
67955 6 Apollo 16 / 11 Same as 15 uxn 2.2 16 Wilshire
ap1601_11_16
Preview Sample # Piece Mission/
Station
Comments Size Slide
Number
Originator Binder
Position
ap1601_11_17
100%    50%    25%
67955 6 Apollo 16 / 11 Closer of finely recrystallized high relief pyroxene? 0.6 17 Wilshire
ap1601_11_17
ap1601_11_18
100%    50%    25%
67955 6 Apollo 16 / 11 Same as 17 uxn 0.6 18 Wilshire
ap1601_11_18
ap1601_11_19
100%    50%    25%
67955 6 Apollo 16 / 11 Mylonitized edge of metagabbro with strip of finely recrystallized, high relief pyroxene? 0.9 19 Wilshire
ap1601_11_19
ap1601_12_01
100%    50%    25%
67955 6 Apollo 16 / 11 Same as 19 uxn 0.9 20 Wilshire
ap1601_12_01
ap1601_12_02
100%    50%    25%
67955 6 Apollo 16 / 11 Shocked plagioclase with round pyroxene inclusion. 0.7 21 Wilshire
ap1601_12_02
ap1601_12_03
100%    50%    25%
67955 6 Apollo 16 / 11 Same as 21 uxn 0.7 22 Wilshire
ap1601_12_03
ap1601_12_04
100%    50%    25%
67955 7 Apollo 16 / 11 Metagabbro clast, intergranular clinopyroxene-plagioclase; adjacent finely recrystallized high relief plagioclase? 0.9 23 Wilshire
ap1601_12_04
ap1601_12_06
100%    50%    25%
67955 7 Apollo 16 / 11 Granoblastic - polygonal meta-anorthosite 0.9 25 Wilshire
ap1601_12_06
ap1601_12_07
100%    50%    25%
67955 7 Apollo 16 / 11 Same as 25 uxn 0.9 26 Wilshire
ap1601_12_07
ap1601_12_08
100%    50%    25%
67955 7 Apollo 16 / 11 Coarse granoblastic texture in metagabbro clast 0.9 27 Wilshire
ap1601_12_08
ap1601_12_09
100%    50%    25%
67955 7 Apollo 16 / 11 Same as 27 uxn 0.9 28 Wilshire
ap1601_12_09
ap1601_12_10
100%    50%    25%
67955 7 Apollo 16 / 11 Grain size disparity (+seq. disparity too). Large pyroxene, small plagioclase inclusion, large plagioclase, small pyroxene inclusion. 0.9 29 Wilshire
ap1601_12_10
ap1601_12_11
100%    50%    25%
67955 7 Apollo 16 / 11 Same as 29 uxn 0.9 30 Wilshire
ap1601_12_11
ap1605_14_11
100%    50%    25%
67955 51 Apollo 16 / 11 Fine-grained gabbro or metagabbro, partly crushed 3.4 28 Wilshire
ap1605_14_11
ap1605_14_12
100%    50%    25%
67955 51 Apollo 16 / 11 uxn 3.4 29 Wilshire
ap1605_14_12
ap1605_14_13
100%    50%    25%
67955 51 Apollo 16 / 11 Metagabbro relics in monomict breccia 8.2 30 Wilshire
ap1605_14_13
ap1605_14_14
100%    50%    25%
67955 51 Apollo 16 / 11 uxn 8.2 31 Wilshire
ap1605_14_14
ap1605_14_15
100%    50%    25%
67955 55 Apollo 16 / 11 close of one relic - note round okiocrysts? in plagioclase as well as orthopyroxene 3.4 32 Wilshire
ap1605_14_15
ap1605_14_16
100%    50%    25%
67955 55 Apollo 16 / 11 uxn 3.4 33 Wilshire
ap1605_14_16
ap160M_23_09
100%    50%    25%
67955 6 Apollo 16 / 11 part theta 3.55 17 Wilshire
ap160M_23_09
Preview Sample # Piece Mission/
Station
Comments Size Slide
Number
Originator Binder
Position
ap160M_23_10
100%    50%    25%
67955 6 Apollo 16 / 11 X 3.55 18 Wilshire
ap160M_23_10
ap160M_31_11
100%    50%    25%
67955 n/a Apollo 16 / 11 square or X n/a n/a Wilshire
ap160M_31_11
MUG1_08_05
100%    50%    25%
67955 n/a Apollo 16 / 11 n/a n/a 11-10 Wilshire
MUG1_08_05
MUG1_08_06
100%    50%    25%
67955 n/a Apollo 16 / 11 n/a n/a 12-10 Wilshire
MUG1_08_06
MUG1_08_07
100%    50%    25%
67955 n/a Apollo 16 / 11 n/a n/a 10-13 Wilshire
MUG1_08_07
ap1603_08_17
100%    50%    25%
67956 13 Apollo 16 / 11 Ophitic basalt with some orthopyroxene ophitic enclosed plagioclase, some pyroxene with inclusion 3.4 37 Wilshire
ap1603_08_17
ap1603_09_01
100%    50%    25%
67956 13 Apollo 16 / 11 Ophitic basalt with some orthopyroxene ophitic enclosing plagioclase. 3.4 1 Wilshire
ap1603_09_01
ap1603_09_02
100%    50%    25%
67956 13 Apollo 16 / 11 Same as 1 uxn 3.4 2 Wilshire
ap1603_09_02
ap1603_16_03
100%    50%    25%
67956 14 Apollo 16 / 11 Glass net vein isolate round clasts   21 Wilshire
ap1603_16_03
ap1603_16_04
100%    50%    25%
67956 14 Apollo 16 / 11 Another view   22 Wilshire
ap1603_16_04
ap1603_16_05
100%    50%    25%
67956 14 Apollo 16 / 11 Closer   23 Wilshire
ap1603_16_05
ap1603_16_06
100%    50%    25%
67956 14 Apollo 16 / 11 Closer   24 Wilshire
ap1603_16_06
ap1603_16_07
100%    50%    25%
67956 14 Apollo 16 / 11 Note darker glass at edges (fusion of clasts?) + flow banding of this   25 Wilshire
ap1603_16_07
ap1603_16_08
100%    50%    25%
67956 14 Apollo 16 / 11 Well rounded metaclastic fragments where glass veins split 20x 26 Wilshire
ap1603_16_08
ap1603_16_09
100%    50%    25%
67956 14 Apollo 16 / 11 Many well rounded clasts where glass veins split 10x 27 Wilshire
ap1603_16_09
ap1603_16_10
100%    50%    25%
67956 14 Apollo 16 / 11 Rounded homfels clasts in glass veins 33x 28 Wilshire
ap1603_16_10
ap160M_23_11
100%    50%    25%
67956 13 Apollo 16 / 11 theta 5.5 19 Wilshire
ap160M_23_11
ap160M_23_12
100%    50%    25%
67956 13 Apollo 16 / 11 X 3.7g 5.5 20 Wilshire
ap160M_23_12
ap160M_23_13
100%    50%    25%
67956 13 Apollo 16 / 11 theta 2.2 21 Wilshire
ap160M_23_13
ap160M_23_14
100%    50%    25%
67956 13 Apollo 16 / 11 X 2.2 2 Wilshire
ap160M_23_14
Preview Sample # Piece Mission/
Station
Comments Size Slide
Number
Originator Binder
Position
ap160M_23_15
100%    50%    25%
67956 13 Apollo 16 / 11 theta, xtra 2.2 1 Wilshire
ap160M_23_15
ap160M_31_12
100%    50%    25%
67956 n/a Apollo 16 / 11 + n/a n/a Wilshire
ap160M_31_12
ap160M_31_13
100%    50%    25%
67956 n/a Apollo 16 / 11 + n/a n/a Wilshire
ap160M_31_13
ap160M_23_16
100%    50%    25%
67957 6 Apollo 16 / 11 I 3.5 5 Wilshire
ap160M_23_16
ap160M_23_17
100%    50%    25%
67957 7 Apollo 16 / 11 I 4.4 7 Wilshire
ap160M_23_17
ap160M_23_18
100%    50%    25%
67957 7 Apollo 16 / 11 theta 4.4 6 Wilshire
ap160M_23_18
ap1603_09_03
100%    50%    25%
67975 14 Apollo 16 / 11 Cataclastic gabbro with recrystallized plagioclase. attached to D1 spinel, no reac, in D1 3.4 3 Wilshire
ap1603_09_03
ap1603_09_04
100%    50%    25%
67975 14 Apollo 16 / 11 Same as 3 uxn 3.4 4 Wilshire
ap1603_09_04
ap1603_09_05
100%    50%    25%
67975 14 Apollo 16 / 11 Homfels clasts in white matrix 3.4 5 Wilshire
ap1603_09_05
ap1603_09_06
100%    50%    25%
67975 14 Apollo 16 / 11 Same as 5 uxn 3.4 6 Wilshire
ap1603_09_06
ap1603_09_07
100%    50%    25%
67975 14 Apollo 16 / 11 Homfels + finely divided brownish glass? clasts 3.4 7 Wilshire
ap1603_09_07
ap1603_09_08
100%    50%    25%
67975 14 Apollo 16 / 11 Same as 7 uxn 3.4 8 Wilshire
ap1603_09_08
ap1603_09_09
100%    50%    25%
67975 14 Apollo 16 / 11 Homfels clast in D1 clast 3.4 9 Wilshire
ap1603_09_09
ap1603_09_10
100%    50%    25%
67975 14 Apollo 16 / 11 Same as 9 uxn 3.4 10 Wilshire
ap1603_09_10
ap1603_09_11
100%    50%    25%
67975 14 Apollo 16 / 11 Homfels clasts in D1 clast 0.9 11 Wilshire
ap1603_09_11
ap1603_09_12
100%    50%    25%
67975 14 Apollo 16 / 11 Same as 11 uxn 0.9 12 Wilshire
ap1603_09_12
ap1603_09_13
100%    50%    25%
67975 14 Apollo 16 / 11 Same as #3 3.4 13 Wilshire
ap1603_09_13
ap1603_09_14
100%    50%    25%
67975 14 Apollo 16 / 11 Same as 13 uxn 3.4 14 Wilshire
ap1603_09_14
ap1603_09_15
100%    50%    25%
67975 14 Apollo 16 / 11 Cataclastic troctolite 3.4 15 Wilshire
ap1603_09_15
ap1603_09_16
100%    50%    25%
67975 14 Apollo 16 / 11 Same as 15 uxn 3.4 16 Wilshire
ap1603_09_16
Preview Sample # Piece Mission/
Station
Comments Size Slide
Number
Originator Binder
Position
ap1603_09_17
100%    50%    25%
67975 14 Apollo 16 / 11 General view, includes gabbro 3.4 17 Wilshire
ap1603_09_17
ap1603_09_18
100%    50%    25%
67975 14 Apollo 16 / 11 Same as 17 uxn 8.2 18 Wilshire
ap1603_09_18
ap1603_14_12
100%    50%    25%
67975 13 Apollo 16 / 11 Relict gabbro? twined clinopyroxene molded on plagioclase 17x 31 Wilshire
ap1603_14_12
ap1603_14_13
100%    50%    25%
67975 13 Apollo 16 / 11 Same as 31 uxn 17x 32 Wilshire
ap1603_14_13
ap1603_14_14
100%    50%    25%
67975 13 Apollo 16 / 11 Homfels with relict coarse plagioclase 17x 33 Wilshire
ap1603_14_14
ap1603_14_15
100%    50%    25%
67975 13 Apollo 16 / 11 Same as 33 uxn 17x 34 Wilshire
ap1603_14_15
ap1605_15_01
100%    50%    25%
67975 13 Apollo 16 / 11 cataclastic anorthosite 20/ postcum orthopyroxene 3.4 2 Wilshire
ap1605_15_01
ap1605_15_02
100%    50%    25%
67975 13 Apollo 16 / 11 uxn 3.4 3 Wilshire
ap1605_15_02
ap1605_15_03
100%    50%    25%
67975 13 Apollo 16 / 11 clast-in-clast, grad. mm. 2.7 4 Wilshire
ap1605_15_03
ap1605_15_04
100%    50%    25%
67975 13 Apollo 16 / 11 uxn 2.7 5 Wilshire
ap1605_15_04
ap160M_23_19
100%    50%    25%
67975 14 Apollo 16 / 11 theta 5.5 6 Wilshire
ap160M_23_19
ap160M_23_20
100%    50%    25%
67975 14 Apollo 16 / 11 X 5.5 7 Wilshire
ap160M_23_20
432 Slides