Main Page Search About

Search Results:
Sample=60018

25 Slides
Preview Sample # Piece Mission/
Station
Comments Size Slide
Number
Originator Binder
Position
ap1604_11_19
100%    50%    25%
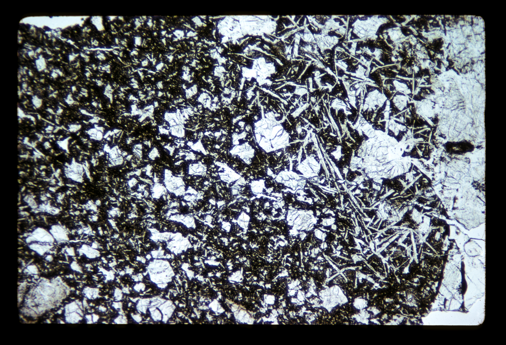
60018 51 Apollo 16 / LM/ALSEP/10/10' Thin dirty green glass inject along clast edge (=former vein) with pieces of dark a gray rock in feldspar matrix; potentially --> maskelynite 3.4 19 Wilshire
ap1604_11_19
ap1604_11_20
100%    50%    25%
60018 51 Apollo 16 / LM/ALSEP/10/10' Same as 19 uxn 3.4 20 Wilshire
ap1604_11_20
ap1604_12_01
100%    50%    25%
60018 51 Apollo 16 / LM/ALSEP/10/10' "Ophit" texture + plagioclase relict in dark clast 0.9 21 Wilshire
ap1604_12_01
ap1604_12_02
100%    50%    25%
60018 51 Apollo 16 / LM/ALSEP/10/10' Same as 21 uxn 0.9 22 Wilshire
ap1604_12_02
ap1604_12_03
100%    50%    25%
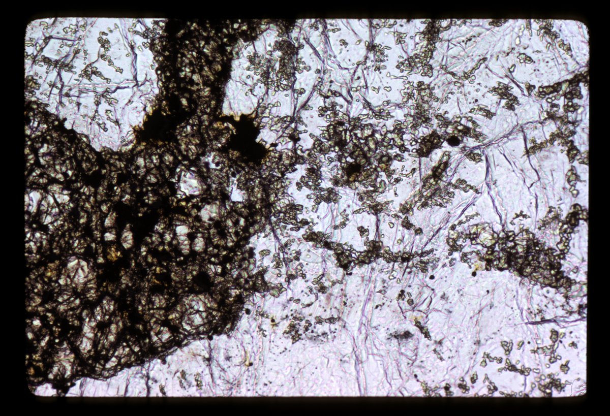
60018 51 Apollo 16 / LM/ALSEP/10/10' "Intergranular" texture + homfels relict 0.9 23 Wilshire
ap1604_12_03
ap1604_12_04
100%    50%    25%
60018 51 Apollo 16 / LM/ALSEP/10/10' Same as 23 uxn 0.9 24 Wilshire
ap1604_12_04
ap1604_12_05
100%    50%    25%
60018 51 Apollo 16 / LM/ALSEP/10/10' Granular [illegible] of mafics + plagioclase-mafics into fractured plagioclase - both recrystallized 2.2 25 Wilshire
ap1604_12_05
ap1604_12_06
100%    50%    25%
60018 51 Apollo 16 / LM/ALSEP/10/10' Same as 25 uxn 2.2 26 Wilshire
ap1604_12_06
ap1604_12_07
100%    50%    25%
60018 51 Apollo 16 / LM/ALSEP/10/10' Closer showing intermediate steps from of typical light metaclastic from plutonic 0.9 27 Wilshire
ap1604_12_07
ap1604_12_08
100%    50%    25%
60018 51 Apollo 16 / LM/ALSEP/10/10' Same as 27 uxn 0.9 28 Wilshire
ap1604_12_08
ap1604_12_09
100%    50%    25%
60018 51 Apollo 16 / LM/ALSEP/10/10' Another clast showing same chausl. of metaclastic from plutonic by recrystallized of cataclastic 2.6 29 Wilshire
ap1604_12_09
ap1604_12_10
100%    50%    25%
60018 51 Apollo 16 / LM/ALSEP/10/10' Same as 29 uxn 2.6 30 Wilshire
ap1604_12_10
ap1605_05_01
100%    50%    25%
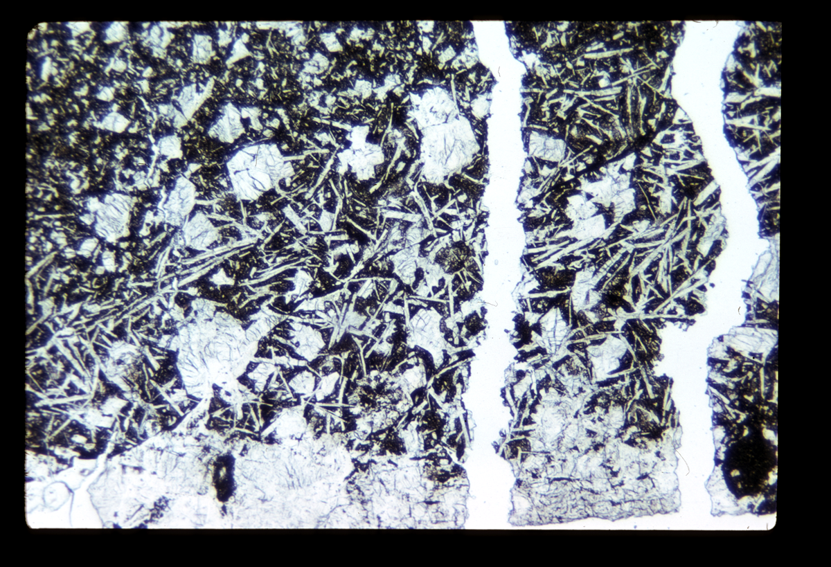
60018 53 Apollo 16 / LM/ALSEP/10/10' anorthosite -> shock melt -> finer shock melt 6.6 1 Wilshire
ap1605_05_01
ap1605_05_02
100%    50%    25%
60018 53 Apollo 16 / LM/ALSEP/10/10' uxn 6.6 2 Wilshire
ap1605_05_02
ap1605_05_03
100%    50%    25%
60018 53 Apollo 16 / LM/ALSEP/10/10' same as 1 6.6 3 Wilshire
ap1605_05_03
ap1605_05_04
100%    50%    25%
60018 53 Apollo 16 / LM/ALSEP/10/10' uxn 6.6 4 Wilshire
ap1605_05_04
ap1605_05_05
100%    50%    25%
60018 53 Apollo 16 / LM/ALSEP/10/10' Clust & shock melt 3.4 5 Wilshire
ap1605_05_05
ap1605_05_06
100%    50%    25%
60018 53 Apollo 16 / LM/ALSEP/10/10' uxn 3.4 6 Wilshire
ap1605_05_06
ap1605_05_07
100%    50%    25%
60018 53 Apollo 16 / LM/ALSEP/10/10' grad. coarse shock melt to finer 3.4 7 Wilshire
ap1605_05_07
ap1605_05_08
100%    50%    25%
60018 53 Apollo 16 / LM/ALSEP/10/10' uxn 3.4 8 Wilshire
ap1605_05_08
Preview Sample # Piece Mission/
Station
Comments Size Slide
Number
Originator Binder
Position
ap1605_05_09
100%    50%    25%
60018 53 Apollo 16 / LM/ALSEP/10/10' Fine grained shock melt & fragments 3.4 9 Wilshire
ap1605_05_09
ap1605_05_10
100%    50%    25%
60018 53 Apollo 16 / LM/ALSEP/10/10' uxn 3.4 10 Wilshire
ap1605_05_10
ap160M_01_17
100%    50%    25%
60018 57 Apollo 16 / LM/ALSEP/10/10' theta (see page scan) 5.5 7 Wilshire
ap160M_01_17
ap160M_01_18
100%    50%    25%
60018 57 Apollo 16 / LM/ALSEP/10/10' X n/a 8 Wilshire
ap160M_01_18
ap160M_29_03
100%    50%    25%
60018 n/a Apollo 16 / LM/ALSEP/10/10' n/a n/a n/a Wilshire
ap160M_29_03
25 Slides