Main Page Search About

Search Results:
Sample=60215

66 Slides
Preview Sample # Piece Mission/
Station
Comments Size Slide
Number
Originator Binder
Position
ap1601_09_04
100%    50%    25%
60215 2 Apollo 16 / LM/ALSEP/10/10' Large relict plagioclase 8.2 4 Wilshire
ap1601_09_04
ap1601_09_05
100%    50%    25%
60215 2 Apollo 16 / LM/ALSEP/10/10' Same as 4 uxn 8.2 5 Wilshire
ap1601_09_05
ap1601_09_06
100%    50%    25%
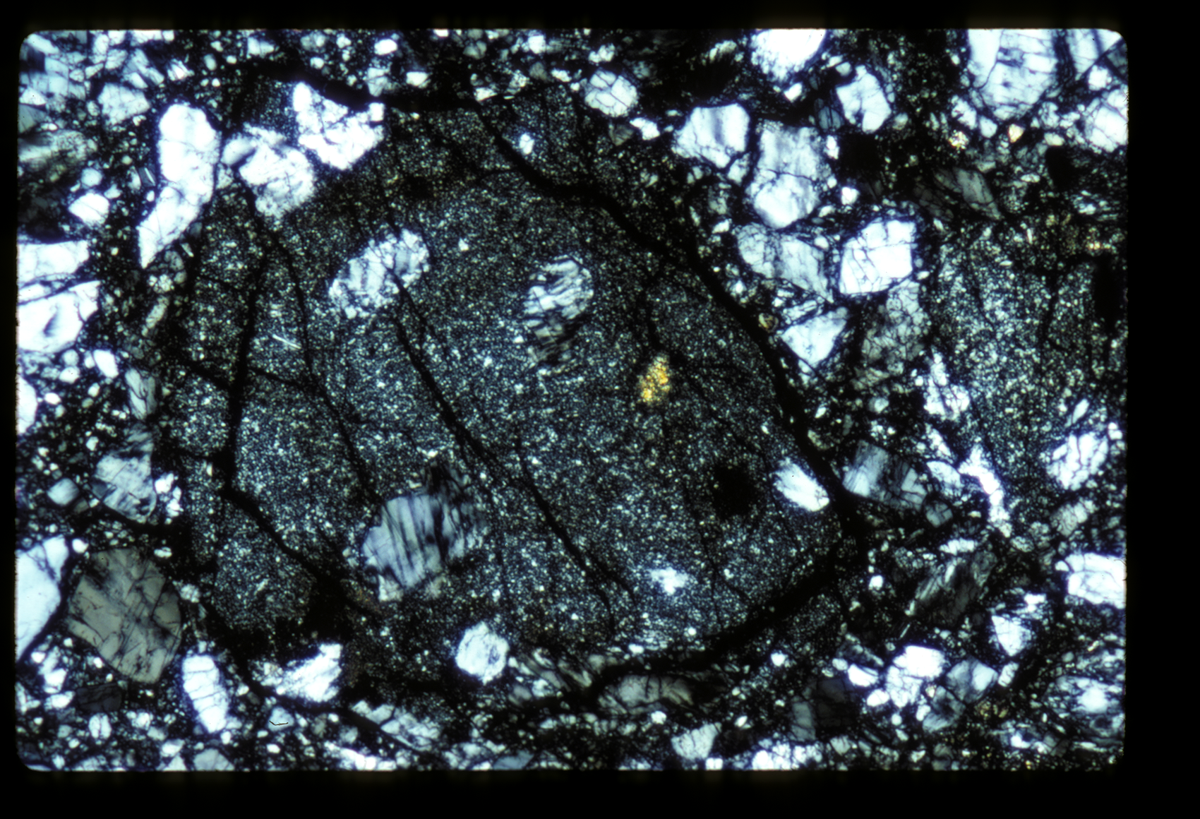
60215 2 Apollo 16 / LM/ALSEP/10/10' Cataclastic anorthosite - brown devitrified glass? + odd large darker patches + rims 8.2 6 Wilshire
ap1601_09_06
ap1601_09_07
100%    50%    25%
60215 2 Apollo 16 / LM/ALSEP/10/10' Same as 6 uxn 8.2 7 Wilshire
ap1601_09_07
ap1601_09_08
100%    50%    25%
60215 2 Apollo 16 / LM/ALSEP/10/10' Crush zones + offset twins in relict plagioclase 3.4 8 Wilshire
ap1601_09_08
ap1601_09_09
100%    50%    25%
60215 2 Apollo 16 / LM/ALSEP/10/10' Same as 8 uxn 3.4 9 Wilshire
ap1601_09_09
ap1601_09_10
100%    50%    25%
60215 2 Apollo 16 / LM/ALSEP/10/10' Color banding in devitrified glass? fragments 3.4 10 Wilshire
ap1601_09_10
ap1601_09_11
100%    50%    25%
60215 2 Apollo 16 / LM/ALSEP/10/10' Same as 10 uxn 3.4 11 Wilshire
ap1601_09_11
ap1601_09_12
100%    50%    25%
60215 2 Apollo 16 / LM/ALSEP/10/10' Broken devitrified glass? 2.2 12 Wilshire
ap1601_09_12
ap1601_09_13
100%    50%    25%
60215 2 Apollo 16 / LM/ALSEP/10/10' Same as 12 uxn 2.2 13 Wilshire
ap1601_09_13
ap1601_09_14
100%    50%    25%
60215 2 Apollo 16 / LM/ALSEP/10/10' Orthopyroxene in crushed plagioclase 2.2 14 Wilshire
ap1601_09_14
ap1601_09_15
100%    50%    25%
60215 2 Apollo 16 / LM/ALSEP/10/10' Same as 14 uxn 2.2 15 Wilshire
ap1601_09_15
ap1601_09_16
100%    50%    25%
60215 2 Apollo 16 / LM/ALSEP/10/10' Small fragment crystallized buchite? 0.7 16 Wilshire
ap1601_09_16
ap1601_09_17
100%    50%    25%
60215 2 Apollo 16 / LM/ALSEP/10/10' Same as 16 uxn 0.7 17 Wilshire
ap1601_09_17
ap1601_09_18
100%    50%    25%
60215 2 Apollo 16 / LM/ALSEP/10/10' Large crushed plagioclase-dark spots are broken down pyroxene? 3.4 18 Wilshire
ap1601_09_18
ap1601_10_01
100%    50%    25%
60215 2 Apollo 16 / LM/ALSEP/10/10' Same as 18 uxn 3.4 19 Wilshire
ap1601_10_01
ap1601_10_02
100%    50%    25%
60215 2 Apollo 16 / LM/ALSEP/10/10' Finely recrystallized? pyroxene? or devitrified glass? with plagioclase inclusions 2.2 20 Wilshire
ap1601_10_02
ap1601_10_03
100%    50%    25%
60215 2 Apollo 16 / LM/ALSEP/10/10' Same as 20 uxn 2.2 21 Wilshire
ap1601_10_03
ap1601_10_04
100%    50%    25%
60215 2 Apollo 16 / LM/ALSEP/10/10' Same as 20 2.2 22 Wilshire
ap1601_10_04
ap1601_10_05
100%    50%    25%
60215 2 Apollo 16 / LM/ALSEP/10/10' Same as 22 uxn 2.2 23 Wilshire
ap1601_10_05
Preview Sample # Piece Mission/
Station
Comments Size Slide
Number
Originator Binder
Position
ap1601_14_16
100%    50%    25%
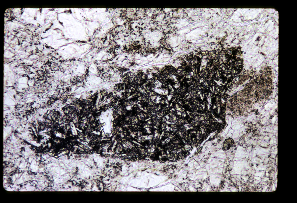
60215 2 Apollo 16 / LM/ALSEP/10/10' Contact between cataclasite with much finely divided pyroxene + that with little 0.9 36 Wilshire
ap1601_14_16
ap1601_14_17
100%    50%    25%
60215 2 Apollo 16 / LM/ALSEP/10/10' Same as 36 uxn 0.9 37 Wilshire
ap1601_14_17
ap1601_15_01
100%    50%    25%
60215 2 Apollo 16 / LM/ALSEP/10/10' Large zoned aggregate - finely divided pyroxene in matrix in center, absent in rim, again present outside 6.6 1 Wilshire
ap1601_15_01
ap1601_15_02
100%    50%    25%
60215 2 Apollo 16 / LM/ALSEP/10/10' Same as 1 uxn 6.6 2 Wilshire
ap1601_15_02
ap1601_15_03
100%    50%    25%
60215 2 Apollo 16 / LM/ALSEP/10/10' Another like 1 6.6 3 Wilshire
ap1601_15_03
ap1601_15_04
100%    50%    25%
60215 2 Apollo 16 / LM/ALSEP/10/10' Same as 3 uxn 6.6 4 Wilshire
ap1601_15_04
ap1601_15_05
100%    50%    25%
60215 2 Apollo 16 / LM/ALSEP/10/10' Closer of core zone in #1, rim free of pyroxene, outer pyroxene rim 3.4 5 Wilshire
ap1601_15_05
ap1601_15_06
100%    50%    25%
60215 2 Apollo 16 / LM/ALSEP/10/10' Same as 5 uxn 3.4 6 Wilshire
ap1601_15_06
ap1601_15_07
100%    50%    25%
60215 2 Apollo 16 / LM/ALSEP/10/10' Core (right), dense pyroxene concentration, pyroxene free rim. outer (left) rim, lower concentration pyroxene than core 0.9 7 Wilshire
ap1601_15_07
ap1601_15_08
100%    50%    25%
60215 2 Apollo 16 / LM/ALSEP/10/10' Same as 7 uxn 0.9 8 Wilshire
ap1601_15_08
ap1601_18_03
100%    50%    25%
60215 13 Apollo 16 / LM/ALSEP/10/10' Cataclastic anorthosite 8.2 23 Wilshire
ap1601_18_03
ap1601_18_04
100%    50%    25%
60215 13 Apollo 16 / LM/ALSEP/10/10' Same as 23 uxn 8.2 24 Wilshire
ap1601_18_04
ap1601_18_05
100%    50%    25%
60215 13 Apollo 16 / LM/ALSEP/10/10' Same, closer 5.3 25 Wilshire
ap1601_18_05
ap1601_18_06
100%    50%    25%
60215 13 Apollo 16 / LM/ALSEP/10/10' Same as 25 uxn 5.3 26 Wilshire
ap1601_18_06
ap1601_18_07
100%    50%    25%
60215 13 Apollo 16 / LM/ALSEP/10/10' Big "clinoenstatite" - definite pyroxene relict + small basalt 8.2 27 Wilshire
ap1601_18_07
ap1601_18_08
100%    50%    25%
60215 13 Apollo 16 / LM/ALSEP/10/10' Same as 27 uxn 8.2 28 Wilshire
ap1601_18_08
ap1601_18_09
100%    50%    25%
60215 13 Apollo 16 / LM/ALSEP/10/10' Same, closer - pyroxene relict 5.3 29 Wilshire
ap1601_18_09
ap1601_18_10
100%    50%    25%
60215 13 Apollo 16 / LM/ALSEP/10/10' Same as 29 uxn 5.3 30 Wilshire
ap1601_18_10
ap1601_18_11
100%    50%    25%
60215 13 Apollo 16 / LM/ALSEP/10/10' Dark patch with big plagioclase in + across it 8.2 31 Wilshire
ap1601_18_11
ap1601_18_12
100%    50%    25%
60215 13 Apollo 16 / LM/ALSEP/10/10' Same as 31 uxn 8.2 32 Wilshire
ap1601_18_12
Preview Sample # Piece Mission/
Station
Comments Size Slide
Number
Originator Binder
Position
ap1601_18_13
100%    50%    25%
60215 13 Apollo 16 / LM/ALSEP/10/10' Same, closer 5.3 33 Wilshire
ap1601_18_13
ap1601_18_14
100%    50%    25%
60215 13 Apollo 16 / LM/ALSEP/10/10' Same as 33 uxn 5.3 34 Wilshire
ap1601_18_14
ap1602_11_01
100%    50%    25%
60215 14 Apollo 16 / LM/ALSEP/10/10' Light relict "clinoenstatite" fragments + large plagioclase with orthopyroxene inclusion 3.4 1 Wilshire
ap1602_11_01
ap1602_11_02
100%    50%    25%
60215 14 Apollo 16 / LM/ALSEP/10/10' Same as 1 uxn 3.4 2 Wilshire
ap1602_11_02
ap1602_11_03
100%    50%    25%
60215 14 Apollo 16 / LM/ALSEP/10/10' "Intersertal basalt" clasts 2.2 3 Wilshire
ap1602_11_03
ap1602_11_04
100%    50%    25%
60215 14 Apollo 16 / LM/ALSEP/10/10' Same as 3 uxn 2.2 4 Wilshire
ap1602_11_04
ap1602_11_06
100%    50%    25%
60215 14 Apollo 16 / LM/ALSEP/10/10' UXN general view 8.2 6 Wilshire
ap1602_11_06
ap1602_11_07
100%    50%    25%
60215 14 Apollo 16 / LM/ALSEP/10/10' " clinoenstatite" clasts - general view 8.2 7 Wilshire
ap1602_11_07
ap1602_11_08
100%    50%    25%
60215 14 Apollo 16 / LM/ALSEP/10/10' Same as 7 uxn 8.2 8 Wilshire
ap1602_11_08
ap1602_11_09
100%    50%    25%
60215 14 Apollo 16 / LM/ALSEP/10/10' Stellate plagioclase clast 0.9 9 Wilshire
ap1602_11_09
ap1602_11_10
100%    50%    25%
60215 14 Apollo 16 / LM/ALSEP/10/10' Same as 9 uxn 0.9 10 Wilshire
ap1602_11_10
ap1606_04_19
100%    50%    25%
60215 16 Apollo 16 / LM/ALSEP/10/10' general view 8.3 19 Wilshire
ap1606_04_19
ap1606_04_20
100%    50%    25%
60215 16 Apollo 16 / LM/ALSEP/10/10' uxn 8.3 20 Wilshire
ap1606_04_20
ap1606_05_01
100%    50%    25%
60215 16 Apollo 16 / LM/ALSEP/10/10' Very fine grained aggregates after pyroxene? 8.3 21 Wilshire
ap1606_05_01
ap1606_05_02
100%    50%    25%
60215 16 Apollo 16 / LM/ALSEP/10/10' uxn 8.3 22 Wilshire
ap1606_05_02
ap160M_03_17
100%    50%    25%
60215 2 Apollo 16 / LM/ALSEP/10/10' theta 5.5 16 Wilshire
ap160M_03_17
ap160M_03_18
100%    50%    25%
60215 2 Apollo 16 / LM/ALSEP/10/10' X 5.5 17 Wilshire
ap160M_03_18
ap160M_03_19
100%    50%    25%
60215 13 Apollo 16 / LM/ALSEP/10/10' I 4.4 19 Wilshire
ap160M_03_19
ap160M_03_20
100%    50%    25%
60215 13 Apollo 16 / LM/ALSEP/10/10' X 4.4 20 Wilshire
ap160M_03_20
ap160M_04_01
100%    50%    25%
60215 14 Apollo 16 / LM/ALSEP/10/10' I 5.5 21 Wilshire
ap160M_04_01
Preview Sample # Piece Mission/
Station
Comments Size Slide
Number
Originator Binder
Position
ap160M_29_08
100%    50%    25%
60215 n/a Apollo 16 / LM/ALSEP/10/10' n/a n/a n/a Wilshire
ap160M_29_08
MUG1_02_08
100%    50%    25%
60215 n/a Apollo 16 / LM/ALSEP/10/10' n/a n/a 32-3 Wilshire
MUG1_02_08
MUG1_02_09
100%    50%    25%
60215 n/a Apollo 16 / LM/ALSEP/10/10' n/a n/a 31-3 Wilshire
MUG1_02_09
MUG1_02_10
100%    50%    25%
60215 n/a Apollo 16 / LM/ALSEP/10/10' n/a n/a 29-5 Wilshire
MUG1_02_10
MUG1_02_11
100%    50%    25%
60215 n/a Apollo 16 / LM/ALSEP/10/10' n/a n/a 26-3 Wilshire
MUG1_02_11
MUG1_02_12
100%    50%    25%
60215 n/a Apollo 16 / LM/ALSEP/10/10' n/a n/a 30-5 Wilshire
MUG1_02_12
66 Slides