Main Page Search About

Search Results:
Sample=60315

50 Slides
Preview Sample # Piece Mission/
Station
Comments Size Slide
Number
Originator Binder
Position
ap1601_04_01
100%    50%    25%
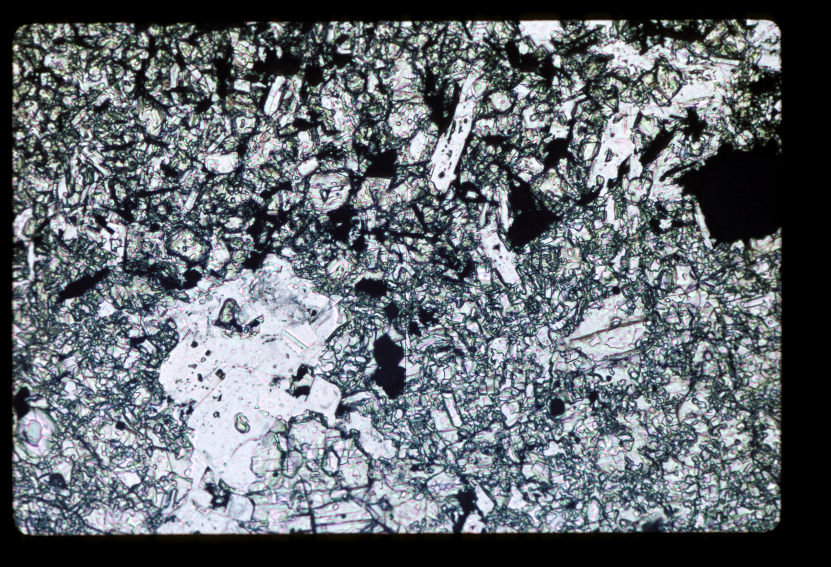
60315 2 Apollo 16 / LM/ALSEP/10/10' Poikiloblastic texture, plagioclase host (pyroxenes enclosed), orthopyroxene? host, plagioclase enclosed; small homfels clast 3.4 19 Wilshire
ap1601_04_01
ap1601_04_02
100%    50%    25%
60315 2 Apollo 16 / LM/ALSEP/10/10' Same as 19 uxn 3.4 20 Wilshire
ap1601_04_02
ap1601_04_03
100%    50%    25%
60315 2 Apollo 16 / LM/ALSEP/10/10' Interstitial between poikiloblasts - ilmenite + "basalt" 0.9 21 Wilshire
ap1601_04_03
ap1601_04_04
100%    50%    25%
60315 2 Apollo 16 / LM/ALSEP/10/10' Same as 21 uxn 0.9 22 Wilshire
ap1601_04_04
ap1601_04_05
100%    50%    25%
60315 2 Apollo 16 / LM/ALSEP/10/10' general texture - broken plagioclase, mafics --> sugary between poikilitics. 3.4 23 Wilshire
ap1601_04_05
ap1601_04_06
100%    50%    25%
60315 2 Apollo 16 / LM/ALSEP/10/10' Same as 23 uxn 3.4 24 Wilshire
ap1601_04_06
ap1601_05_01
100%    50%    25%
60315 2 Apollo 16 / LM/ALSEP/10/10' Homfels clast, interstitial "basalt" 0.9 1 Wilshire
ap1601_05_01
ap1601_05_02
100%    50%    25%
60315 2 Apollo 16 / LM/ALSEP/10/10' Same as 1 uxn 0.9 2 Wilshire
ap1601_05_02
ap1601_05_03
100%    50%    25%
60315 2 Apollo 16 / LM/ALSEP/10/10' Small homfelsed plagioclase clast in orthopyroxene poikiloblast 0.9 3 Wilshire
ap1601_05_03
ap1601_05_04
100%    50%    25%
60315 2 Apollo 16 / LM/ALSEP/10/10' Same as 3 uxn 0.9 4 Wilshire
ap1601_05_04
ap1601_15_12
100%    50%    25%
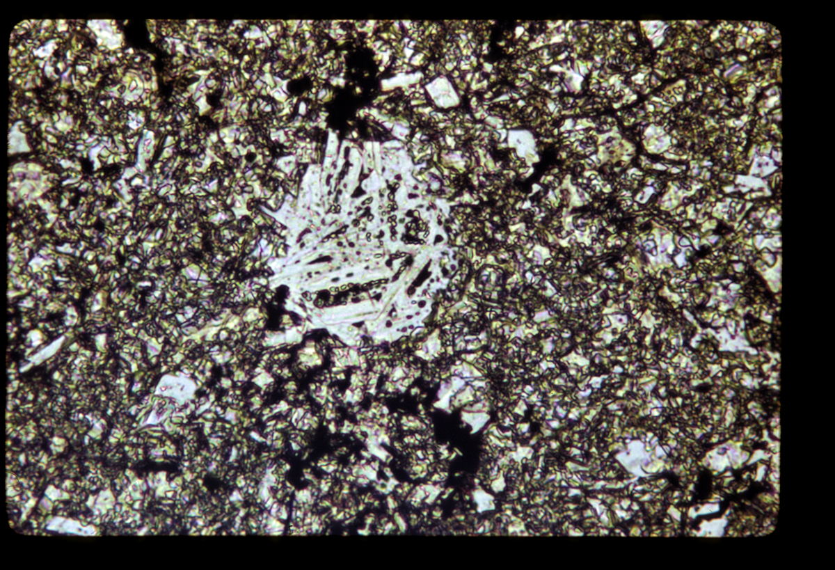
60315 2 Apollo 16 / LM/ALSEP/10/10' Metaclastic inclusion in orthopyroxene poikiloblast 0.9 12 Wilshire
ap1601_15_12
ap1601_15_13
100%    50%    25%
60315 2 Apollo 16 / LM/ALSEP/10/10' Same as 12 uxn 0.9 13 Wilshire
ap1601_15_13
ap1601_15_14
100%    50%    25%
60315 2 Apollo 16 / LM/ALSEP/10/10' Granoblastic-polygonal plagioclase clast in orthopyroxene poikiloblast + granoblast - intergranular interstitial material 0.9 14 Wilshire
ap1601_15_14
ap1601_15_15
100%    50%    25%
60315 2 Apollo 16 / LM/ALSEP/10/10' Same as 14 uxn 0.9 15 Wilshire
ap1601_15_15
ap1603_10_13
100%    50%    25%
60315 14 Apollo 16 / LM/ALSEP/10/10' Circular droplet with intergranular texture in poikiloblastic rock 0.7 31 Wilshire
ap1603_10_13
ap1603_10_14
100%    50%    25%
60315 14 Apollo 16 / LM/ALSEP/10/10' Same as 31 uxn 0.7 32 Wilshire
ap1603_10_14
ap1604_12_14
100%    50%    25%
60315 15 Apollo 16 / LM/ALSEP/10/10' "Oulli" with intergranular + ophitic textures 0.9 34 Wilshire
ap1604_12_14
ap1604_12_15
100%    50%    25%
60315 15 Apollo 16 / LM/ALSEP/10/10' Same as 34 uxn 0.9 65 Wilshire
ap1604_12_15
ap1604_12_16
100%    50%    25%
60315 60 Apollo 16 / LM/ALSEP/10/10' Intergranular oulli enclosed in orthopyroxene(?) poikiloblasts 0.9 36 Wilshire
ap1604_12_16
ap1604_12_17
100%    50%    25%
60315 60 Apollo 16 / LM/ALSEP/10/10' Intergranular oulli enclosed in orthopyroxene(?) poikiloblasts 0.9 37 Wilshire
ap1604_12_17
Preview Sample # Piece Mission/
Station
Comments Size Slide
Number
Originator Binder
Position
ap1604_13_01
100%    50%    25%
60315 60 Apollo 16 / LM/ALSEP/10/10' Intergranular oulli in large orthopyroxene(?) poikiloblasts 0.9 1 Wilshire
ap1604_13_01
ap1604_13_02
100%    50%    25%
60315 60 Apollo 16 / LM/ALSEP/10/10' Same as 1 uxn 0.9 2 Wilshire
ap1604_13_02
ap160M_04_15
100%    50%    25%
60315 2 Apollo 16 / LM/ALSEP/10/10' I 0.6 11 Wilshire
ap160M_04_15
ap160M_04_16
100%    50%    25%
60315 2 Apollo 16 / LM/ALSEP/10/10' X 0.6 12 Wilshire
ap160M_04_16
ap160M_04_17
100%    50%    25%
60315 15 Apollo 16 / LM/ALSEP/10/10' theta, good poikilitic texture, C2 5.5 3 Wilshire
ap160M_04_17
ap160M_04_18
100%    50%    25%
60315 15 Apollo 16 / LM/ALSEP/10/10' X 5.5 4 Wilshire
ap160M_04_18
ap160M_04_19
100%    50%    25%
60315 60 Apollo 16 / LM/ALSEP/10/10' I, poik 0.6 13 Wilshire
ap160M_04_19
ap160M_04_20
100%    50%    25%
60315 60 Apollo 16 / LM/ALSEP/10/10' X 0.6 14 Wilshire
ap160M_04_20
ap160M_05_01
100%    50%    25%
60315 62 Apollo 16 / LM/ALSEP/10/10' I 0.6 16 Wilshire
ap160M_05_01
ap160M_05_02
100%    50%    25%
60315 62 Apollo 16 / LM/ALSEP/10/10' theta 0.6 15 Wilshire
ap160M_05_02
ap160M_05_03
100%    50%    25%
60315 63 Apollo 16 / LM/ALSEP/10/10' I 0.6 17 Wilshire
ap160M_05_03
ap160M_05_04
100%    50%    25%
60315 63 Apollo 16 / LM/ALSEP/10/10' X 0.6 18 Wilshire
ap160M_05_04
ap160M_05_05
100%    50%    25%
60315 64 Apollo 16 / LM/ALSEP/10/10' I 3.5 19 Wilshire
ap160M_05_05
ap160M_05_06
100%    50%    25%
60315 64 Apollo 16 / LM/ALSEP/10/10' X 3.5 20 Wilshire
ap160M_05_06
ap160M_05_07
100%    50%    25%
60315 65 Apollo 16 / LM/ALSEP/10/10' I 3.5 21 Wilshire
ap160M_05_07
ap160M_05_08
100%    50%    25%
60315 n/a Apollo 16 / LM/ALSEP/10/10' n/a n/a n/a Wilshire
ap160M_05_08
ap160M_05_09
100%    50%    25%
60315 65 Apollo 16 / LM/ALSEP/10/10' I 3.5 1 Wilshire
ap160M_05_09
ap160M_05_10
100%    50%    25%
60315 65 Apollo 16 / LM/ALSEP/10/10' X 3.5 2 Wilshire
ap160M_05_10
ap160M_05_11
100%    50%    25%
60315 66 Apollo 16 / LM/ALSEP/10/10' I 0.6 3 Wilshire
ap160M_05_11
ap160M_05_12
100%    50%    25%
60315 66 Apollo 16 / LM/ALSEP/10/10' X 0.6 4 Wilshire
ap160M_05_12
Preview Sample # Piece Mission/
Station
Comments Size Slide
Number
Originator Binder
Position
ap160M_05_13
100%    50%    25%
60315 68 Apollo 16 / LM/ALSEP/10/10' I 5.5 5 Wilshire
ap160M_05_13
ap160M_05_14
100%    50%    25%
60315 68 Apollo 16 / LM/ALSEP/10/10' X 5.5 6 Wilshire
ap160M_05_14
ap160M_05_15
100%    50%    25%
60315 70 Apollo 16 / LM/ALSEP/10/10' I 5.5 7 Wilshire
ap160M_05_15
ap160M_05_16
100%    50%    25%
60315 70 Apollo 16 / LM/ALSEP/10/10' X 5.5 8 Wilshire
ap160M_05_16
ap160M_05_17
100%    50%    25%
60315 72 Apollo 16 / LM/ALSEP/10/10' I 5.5 9 Wilshire
ap160M_05_17
ap160M_05_18
100%    50%    25%
60315 72 Apollo 16 / LM/ALSEP/10/10' X 5.5 10 Wilshire
ap160M_05_18
ap160M_05_19
100%    50%    25%
60315 74 Apollo 16 / LM/ALSEP/10/10' I 3.5 11 Wilshire
ap160M_05_19
ap160M_05_20
100%    50%    25%
60315 74 Apollo 16 / LM/ALSEP/10/10' X 3.5 12 Wilshire
ap160M_05_20
ap160M_06_01
100%    50%    25%
60315 75 Apollo 16 / LM/ALSEP/10/10' I 3.5 13 Wilshire
ap160M_06_01
ap160M_06_02
100%    50%    25%
60315 75 Apollo 16 / LM/ALSEP/10/10' X 3.5 14 Wilshire
ap160M_06_02
50 Slides